返回
电磁脉冲阀
首页
>
了解产品
>
气动器材 气动阀
>
脉冲阀及膜片配件
>
电磁脉冲阀
XMF-Y-50S,XMF-Y-62S,XMF-Y-76S,脉冲阀
2013-01-22 11:24
1490
信息概况
价格:
未填
型号:
XMF-Y-50S,XMF-Y-62S,XMF-Y-76S
发货:
3天内
发送询价
XMF-Y-50S,XMF-Y-62S,XMF-Y-76S,脉冲阀
订购码
产品规格
Model
XMF-Y-50S
XMF-Y-62S
XMF-Y-76S
Working Pressure
0.3~0.8MPa
Ambient Temperature
-5~55℃
Relatively Humidity
<85%
Working Medium
Clean Air
VoItage
AC110V/AC220V/DC24V
Diaphragm Life Cycles
Over One Million Cycles
Orifice(mm)
φ50
φ62
φ76
Connection Port
φ62
φ80
φ90
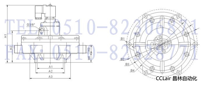
外形尺寸
联系方式
姓名:销售员1182(女士)
电话:
13812199898
传真:0510-82328771
地区:江苏-无锡市
地址:
无锡市会北路28-135
邮编:214002
QQ:
2355802919
0
人关注
0
人点赞
举报
评分:
分
扫一扫访问当前网页
复制链接
二维码
短信
邮件
关闭
同类了解产品
MAJ-Q-1型20(3/4")(Z)长管式脉冲阀
¥
999.00
TDF-Y50S,TDF-Y62S,TDF-Y76S,TDF-Z20,TDFK25,TDF-Z62S,TDFK40,TDF-Z76S,TDF-Z25,TDF-Z40S,TDFK20,TDF-Z50S,淹没式脉冲阀
¥
999.00
JEL-Z-20A,JEL-Z-20,JEL-Z-40S,JEL-Z-20P,JEL-Z-50S,JEL-Z-25DD,JEL-Z-40DD,JEL-Z-62S,JEL-Z-25P,JEL-Z-76S,JEL-Z-35P, 长管式脉冲阀
¥
999.00
LD6420,LD6425-YM,LD6425,LD6440-YM,LD6465,LD6480-YM,LD6480,LD6420-DD,LD6440,LD6450-YM,LD6450,LD6465-YM,电磁脉冲阀
¥
999.00
UM-20,UM-25,UM-40,UM-50,UM-65,UM-76,UME-50,UME-62,UME-76,UM电磁脉冲阀
¥
999.00
TMF-Y-25,TMF-DY-25,TMF-Y-40S,TMF-DY-40S,TMF-Y-50S,TMF-Y-76S,TMF-DY-76S,TMF-Y-89A,TMF-DY-50S,TMF-Y-62S,TMF-DY-62S,高原淹没电磁脉冲阀
¥
999.00
取消
发送询价
分享好友
了解产品首页
频道列表
我要评论