返回
梭阀
首页
>
了解产品
>
气动器材 气动阀
>
控制元件
>
梭阀
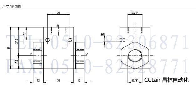
WRV638,管式梭阀
2013-01-21 12:15
1000
信息概况
价格:
未填
型号:
WRV638,
发货:
3天内
发送询价
WRV638,管式梭阀
联系方式
姓名:销售员 1180(先生)
电话:
13861877712
传真:0510-82328771
地区:江苏-无锡市
地址:
无锡市会北路28-135
QQ:
2355802919
0
人关注
0
人点赞
举报
评分:
分
扫一扫访问当前网页
复制链接
二维码
短信
邮件
关闭
同类了解产品
CFD719/821/939/1011-15/20/25/32/40/50G-F,CFD梭阀
SF-06/36W/12/31,SF型梭阀
VU/SF-1/4/3/8/1/2/3/4/1-111-1,VU/SF型梭阀
QS系列梭阀
CVSH-3-10,CVSH-01-11,CVSH-MD-11,CVSH梭阀
TGMSH-3-AB-10,TGMSH-3叠加型梭阀
取消
发送询价
分享好友
了解产品首页
频道列表
我要评论