返回
液压马达
首页
>
了解产品
>
油泵 齿轮泵 组合泵
>
液压马达/气动马达
>
液压马达
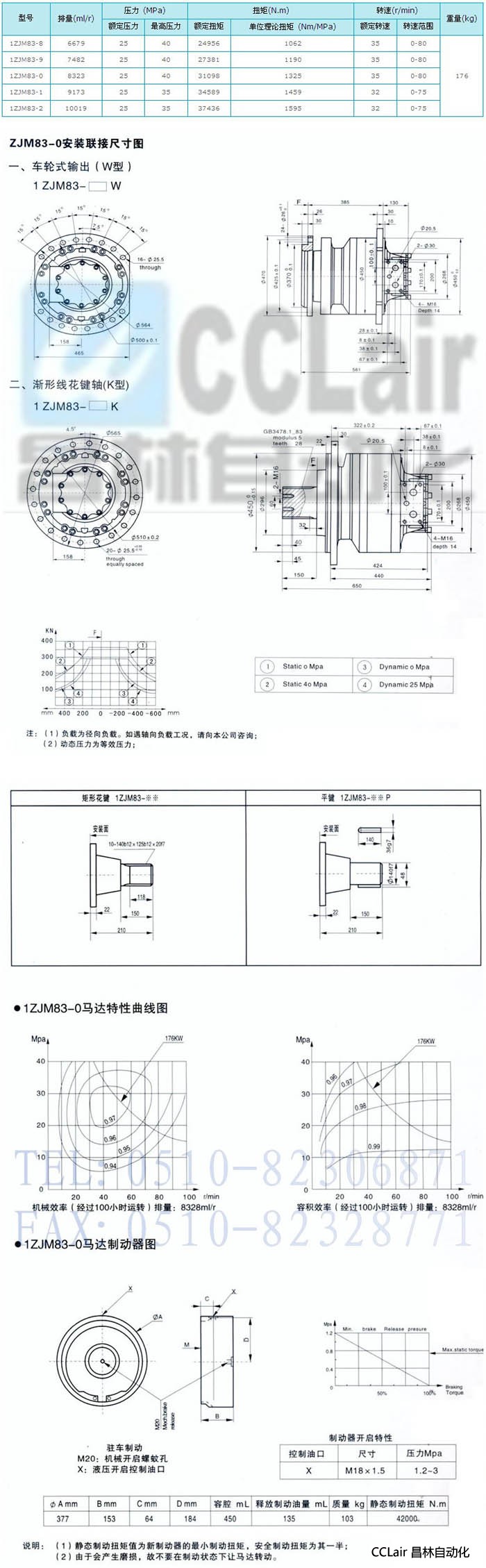
1ZJM83-8,1ZJM83-9, 1ZJM83-0,1ZJM83-1,1ZJM83-2, 低速大扭矩液压马达
2012-12-05 11:29
618
信息概况
价格:
未填
型号:
1ZJM83-8,1ZJM83-9, 1ZJM83-0,1ZJM83-1,1ZJM83-2,
发货:
3天内
发送询价
1ZJM83-8,1ZJM83-9, 1ZJM83-0,1ZJM83-1,1ZJM83-2, 低速大扭矩液压马达
联系方式
姓名:销售员1160(女士)
电话:
13812199898
传真:0510-82328771
地区:江苏-无锡市
地址:
无锡市会北路28-135
邮编:214002
QQ:
2355802921
0
人关注
0
人点赞
举报
评分:
分
扫一扫访问当前网页
复制链接
二维码
短信
邮件
关闭
同类了解产品
BMM系列轴配液压马达 BMM-8/12.5/20/32/40/50
SX504BM,SX505BM,HMKB046,HMB270,HDB270,HMHDB400,SB504,HMKC046,HMC270,Kawasaki径向柱塞液压马达
液压马达BM-C80,BM-C100,BM-C125,BM-C160,BM-C200,BM-C250,BM-C315
JM11-E0.16,JM11-E0.2,曲轴连杆式径向柱塞液压马达
JM11-F0.25F1,JM11-F0.45F1,JM11-F0.5F1,JM11-E0.56F1,JM11-E0.63F1,曲轴连杆式径向柱塞液压马达
JM12-FO.63F1,JM12-FO.8F1,JM12-FO.9F1,JM12-E1.25F2,JM12N-E1.2F2,曲轴连杆式径向柱塞液压马达
取消
发送询价
分享好友
了解产品首页
频道列表
我要评论