返回
比例流量阀
首页
>
了解产品
>
液压元件 液压阀
>
比例阀 伺服阀
>
比例流量阀
BVQ-A05,直动式比例流量阀
2012-11-29 11:46
1143
信息概况
价格:
未填
型号:
BVQ-A05,
发货:
3天内
发送询价
BVQ-A05,直动式比例流量阀
产品概述
BVQ是直动式两通比例流量阀,通过比例电磁铁直接驱动阀芯工作,通过阀芯在二级阀套内的轴向移动形成可变的节流窗口,从而利用比例电磁铁信号的变化调节流量,同时阀内的压力补偿器使流量调节不受负载变化的影响。工作压力35MPa。
BVQ系列比例流量阀与比例放大器协同工作,根据流量调节性能的需要可以选配带内置传感器或集成放大器系列,增强阀的动静态性能。
型号编码
性能数据 (环境温度-20℃ - 60℃)
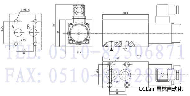
安装尺寸
安装界面尺寸如上图
紧固螺钉:4个M6×60内六角螺钉,12.9级
油口直径:A、Bφ=14mm(最大)
联系方式
姓名:销售员1149(女士)
电话:
13812199898
传真:0510-82328771
地区:江苏-无锡市
地址:
无锡市会北路28-135
邮编:214002
QQ:
2355802921
0
人关注
0
人点赞
举报
评分:
分
扫一扫访问当前网页
复制链接
二维码
短信
邮件
关闭
同类了解产品
SRT-04,SRT-06,电溢比例流量阀FONGTIEN
VP-P2SRE6L01RD01-24PG/V,VP-P2SRE6L04RD01-24PG/V,VP-P2SRE6L08RD01-24PG/V,HYDAC比例流量阀
QCEJ-A-06-6,QCEJ-A-06-32,QCFJ-A-06-105,QCFJ-A-10-75,QCEJ-A-10-12,QCEJ-A-10-22,比
QVHZO-A,QVHZO-AE,QVHZO-AES-PS,QVHZO-AES-BP,QVHZO-AES-BC,QVHZO-A-06/45,阿托斯ATOS比例流量阀
QVKZOR-A,QVKZOR-AE,QVKZOR-AES-BC,QVKZOR-AES-BP,QVKZOR-AES-PS,QVKZOR-AES-PS-10/65,阿托斯ATOS比例流量阀
QVHZO-T,QVHZO-TE,QVHZO-TES-PS,QVHZO-TES-BC,QVHZO-TES-BP,QVHZO-T-06/45,阿托斯ATOS比例流量阀
取消
发送询价
分享好友
了解产品首页
频道列表
我要评论