DZJ系列干式单片通电电磁制动器。该产品结构简单、制动延迟时间短、制动力矩大。最大优点是:可水平安装也可垂直安装,不受安装角度影响,消除了电机轴向窜动对制动器气隙要求较高的影响。 它们被用于机械传动系统,如精密机械,印刷机械,
包装机械,实验设备等的制动与定位。 主要性能参数 外型及安装尺寸 安装注意事项 ◎ 摩擦片及衔铁表面不得有油污,
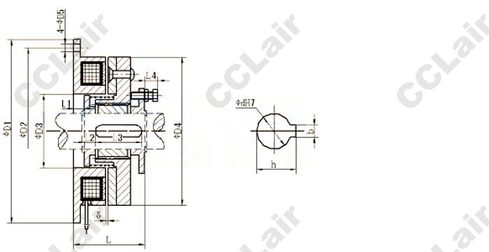
◎ 安装时通过调节螺钉调整气隙到定值
◎ 齿轮套不得有轴向窜动