返回
管路过滤器
首页
>
了解产品
>
液压辅助元件
>
液压过滤器及装置
>
管路过滤器
YPM060,YPM110,YPM160,YPM240,YPM330,YPM420,YPM660,压力管路过滤器
2012-11-08 12:06
765
信息概况
价格:
未填
型号:
YPM060,YPM110,YPM160,YPM240,YPM330,YPM420,YPM660,
发货:
3天内
发送询价
YPM060,YPM110,YPM160,YPM240,YPM330,YPM420,YPM660,压力管路过滤器
1、性能与用途
安装于液压系统压力管路中,滤除工作介质中的固体颗粒及胶状物质,有效控制工作介质的污染度。
可根据需要装配压差发讯器及旁通阀。
滤芯过滤材料分别采用复合纤维、木棉定型滤纸、不锈钢烧结毡,不锈钢编织网。
上、下壳体均采用铝锻件,体积小、重量轻、结构精巧、外形美观。
2 技术参数
工作介质:矿物油、乳化液、水-乙二醇、磷酸酯液压液(木棉定型滤纸仅适用于矿物油)
工作压力(max):21MPa
工作温度:-25℃~110℃
发讯器发讯压差:0.5MPa
旁通阀开启压差:0.6MPa
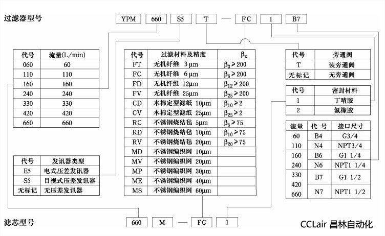
3
系列型谱
4、额定流量下的清洁滤芯压降(单位:1×10
5
Pa 介质参数:30mm
2
/s 0.86kg/dm
3
)
5 图示尺寸
联系方式
姓名:销售员1135(女士)
电话:
13861877712
传真:0510-82328771
地区:江苏-无锡市
地址:
无锡市会北路28-135
邮编:214002
QQ:
2355802919
0
人关注
0
人点赞
举报
评分:
分
扫一扫访问当前网页
复制链接
二维码
短信
邮件
关闭
同类了解产品
DFDK,DFDKON30QLB5D1.0/-L24,DFDKON30QL135D1.01-L24, DFDKON240QLF10C1.1/-W,DFDKON30QLB10LE1.0/-A2,双筒管路高压过滤器
UH319,UH319CG3220ZG9X106,UE319,管路过滤器 UH319CG20AT13HBD,UE319AZ,UE319AP,UE319AS,高压过滤器
HH9020,HZ9020,9020,HC9020F,过滤器 HH9021,HZ9021,9021,HC9021F滤芯, HC9020FKZ,HC9021FKZ,HC9020FKP,HC9021FKP,
HH9660A,HH9660B,HH9660D,HH9660E,HZ9664G,HH9660K,HH9660S,HH9660G,HZ9664K,HZ9664S,稀油站高压过滤器
HH9900,HH9901,HH9904,HC9401F,HC9404F,HZ9900,HZ9901,HZ9904,HC9400F,9901-YC06,9904-YC06,高压过滤器
HH4710G20KTUBR24DC,4710,HC9600F,HC9601F,4711, HH4710C20KPSBM,HH4710S,HH4711S, HH4710,HH4711,HH4710S24,HH4711S24,过滤器
取消
发送询价
分享好友
了解产品首页
频道列表
我要评论