返回
真空泵
首页
>
了解产品
>
油泵 齿轮泵 组合泵
>
其他泵类
>
真空泵
SKA2-060,SKA2-061,SKA2-070,SKA2-071,SKA5161-OKC,水环式真空泵
2012-10-14 06:36
1217
信息概况
价格:
未填
型号:
SKA5110-OKC,SKA5111-OKC,SKA5121-OKC,SKA5131-OKC,
发货:
3天内
发送询价
SKA2-060,SKA2-061,SKA2-070,SKA2-071,SKA5161-OKC,水环式真空泵
SKA5110-OKC,SKA5111-OKC,SKA5121-OKC,SKA5131-OKC,
产品简介:
SKA型水环式真空泵(简称:SKA真空泵),适于抽除气体和水蒸汽。吸气压力可以达到33mbar绝压(97%真空度)当真空泵在吸气压力低于80mbar的状态下长期工作时,应联接汽蚀保护管以对泵进行保护,如配大气喷射器(见附件表)吸气压力可达10mbar,喷射器可直接装在真空泵上。作为压缩机用时,其压力最大至0.26mbar(绝压)。
SKA型水环真空泵为整体结构—机泵同轴的单级泵。轴封采用机械密封,具有结构简单,安装简捷、无油、安全可靠等特点。
工作原理:
SKA型水环式真空泵如图(1)所示叶轮3偏心地安装在泵体之内,起动时向泵内注入一定高度的水,因此当叶轮3旋转时,水受离心力的作用而在泵体内壁形成一旋转水环1,水环下部内表面与轮毂相切,沿箭头方向旋转,在前半转过程中,SKA型水环式真空泵水环内表面逐渐与轮毂脱离,因此在叶轮叶片间与水环形成封闭空间,随着叶轮的旋转,该空间逐渐扩大,空间气体压力降低,气体自圆盘吸气口被吸入;在后半转过程中,水环内表面逐渐与轮毂靠近,叶片间的空间逐渐缩小,空间气体压力升高,高于排气口压力时,叶片间的气体自圆盘排气口被排出。如此叶轮每转动一周,叶片间的空间吸排气一次,许多空间不停地工作,SKA型水环式真空泵就连续不断地抽吸或压送气体。
SKA型水环式真空泵由于在工作过程中,做功产生热量,会使工作水环发热,同时一部分水和气体一起被排周,因此,在工作过程中,必须不断地给泵供水,以冷却和补充泵内消耗的水,满足泵的工作要求。
当SKA型水环式真空泵排出的气体不再利用时,在SKA型水环式真空泵排气口上接有气水分离器,废气和所带的部分水排入气水分离器后,气水分离,气体由排气管排出,留下的水经回水管供至泵内继续使用。随着工作时间的延长,工作水温度会不断地升高,这时需从供水管供给冷水,以降低工作水的温度,保证泵能达到所要求的技术要求和性能指标。
当SKA型水环式真空泵作为压缩机使用时,泵排气口接有气水分离器,气水混合物进入气水分离器后自动分,气体由排气管输送到所需系统而工作水经过分离器进入SKA型水环式真空泵内。压缩气体时,工作水极易热,水由泵排气口排出,温度会变的较高,要由供水管不断地供给冷水.以补充被放走的水,同时起冷却作用,使工作水温度不致过高,从而保证压缩机性能,达能技术指标,满工艺要求
结构及特点:
△ 机泵同轴式直联设计,节省空间,易于安装。
△ 采用机械密封作为标准配置,消除了泄露,维护简便。
△ 运行平稳,噪音可低至62分贝
△ 统一的耐腐蚀设计,青铜叶轮提高了泵的耐腐蚀性,不锈钢材质则更适用于更为苛刻的应用
△ 独特的柔性排气口设计,不会产生过压缩,确保了SKA在其性能范围内效率最佳。
使用范围:
SKA型水环式真空泵及压缩机被广泛用于石油化工、制药、食品、制糖工业等领域,由于在工作过程中,气体的压缩过程是等温的,所以在压缩和抽吸易燃易爆气体时,不易发生危险,其应用更加广泛。
性能参数:
注:1、表中所列数据在下列技术条件下测出:
① 大气压力101325Pa(1013mbar)
② 进水温度15℃
③ 吸入空气温度20℃
④ 空气相对湿度70%
2、性能允许偏差±10%
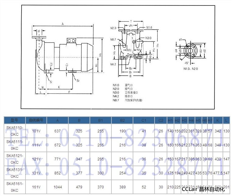
安装尺寸图:
SKA2外形尺寸图(单位:mm):
SKA5外形尺寸图(单位:mm):
联系方式
姓名:销售员1122(女士)
电话:
13812199898
传真:0510-82328771
地区:江苏-无锡市
地址:
无锡市会北路28-135
邮编:214002
QQ:
2355802919
0
人关注
0
人点赞
举报
评分:
分
扫一扫访问当前网页
复制链接
二维码
短信
邮件
关闭
同类了解产品
MOT-85,MOT-140,真空泵
OUB1/040B0010,Danfoss油分离器
OUB1S/040B0029,Danfoss油分离器
OUB1S/040B0023,Danfoss油分离器
OUB4/040B0040,Danfoss油分离器
GVSC-500B,GVSC-501B,GVSC无油真空泵anest iwata
取消
发送询价
分享好友
了解产品首页
频道列表
我要评论