返回
增压泵
首页
>
了解产品
>
油泵 齿轮泵 组合泵
>
排水与污水处理泵类
>
增压泵
JCB-180,机床冷却电泵
2012-10-13 06:32
1266
信息概况
价格:
未填
型号:
JCB-180
发货:
3天内
发送询价
JCB-180,机床冷却电泵
JCB
系列机床冷却电泵技术参数
型号
功率(W)
电压(V)
电流(A)
频率(Hz)
转速(r/min)
扬程(M)
流量(L/min)
JCB-180
600
380
0.68
50
2760
5
180
JCB
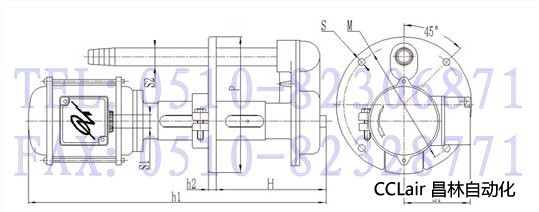
系列机床冷却电泵安装尺寸和外形尺寸 (
mm
)
型号
H
P
M
S
S1
S2
b1
h1
h2
JCB-180
120-290
255
230
10
12
G1
¼
"
100
475
12
联系方式
姓名:销售员1121(女士)
电话:
13861877712
传真:0510-82328771
地区:江苏-无锡市
地址:
无锡市会北路28-135
邮编:214002
QQ:
2355802919
0
人关注
0
人点赞
举报
评分:
分
扫一扫访问当前网页
复制链接
二维码
短信
邮件
关闭
同类了解产品
CDL8-20/1,CDL8-20,CDL8-30,CDL8-40,CDL8-50,CDL8-60,CDL8-80,CDL8-100,CDL,工业增压泵
15SG1.5-15,15WG0.4-8(120W),15WG0.4-8(90W),全自动微型家用增压泵
PT300A,优质冷热水自动泵
15WG7-6,15WG10-12,管道增压泵
KF32BF1,KF40BG1,KF50BF2,KF63BG2,KF80BF7,KF100BG7, kracht齿轮输送泵
BTH1/55.Z0.K51,BTH1/105.Z0.K51,BTH2/100.Z0.K51,BTH2/130.Z0.K51,BTH3/150.Z0.K51,kracht齿轮输送泵
取消
发送询价
分享好友
了解产品首页
频道列表
我要评论