返回
止回阀
首页
>
了解产品
>
液压元件 液压阀
>
流量控制阀
>
止回阀
H44H-4.0P,H44H-6.4P,H44H-10.0P,H44H-16.0P,H44H-25.0P,旋启式止回阀
2012-05-17 10:47
632
信息概况
价格:
未填
型号:
H44H-4.0P,H44H-6.4P,H44H-10.0P,H44H-16.0P,H44H-25.0P,-2.5P,
发货:
3天内
发送询价
H44H-4.0P,H44H-6.4P,H44H-10.0P,H44H-16.0P,H44H-25.0P,旋启式止回阀
概述
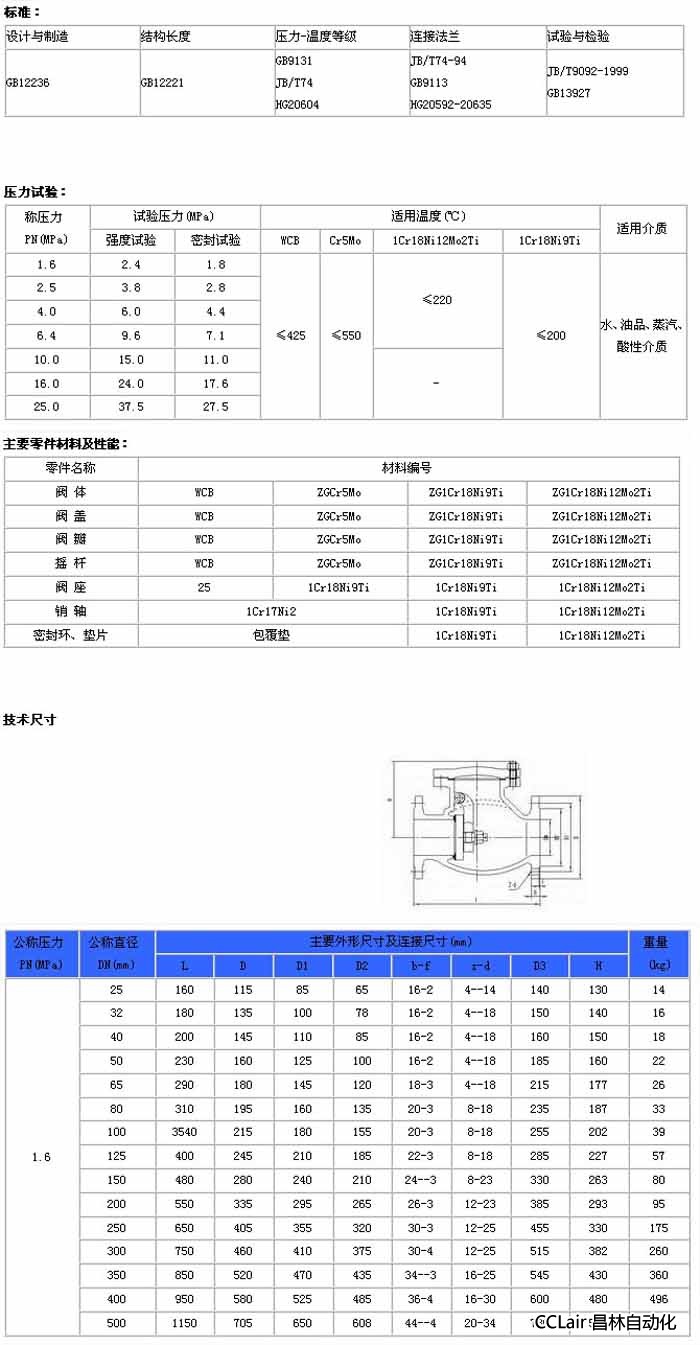
止回阀
的功能是用来防止管路中的介质倒流。
止回阀
属于自动阀类,启闭件靠流动介质的力量自行开启
或关闭。
止回阀
只用于介质单向流动的管路上,阻止介质回流,以防发生事故。
适用介质为:水、油品、蒸汽、酸性介质等。
联系方式
姓名:销售员 1075(女士)
职位:销售员
电话:
13861877712
传真:0510-82328771
地区:江苏-无锡市
地址:
无锡市会北路28-135
邮编:214001
QQ:
2355802919
0
人关注
0
人点赞
举报
评分:
分
扫一扫访问当前网页
复制链接
二维码
短信
邮件
关闭
同类了解产品
CCV-102/122/162/T16/T18,CCV/CCL-062/092/082,CCN-082/102/122止回阀系列
CCV/CCL-062/092/082-X0.2N,止回阀CCV/CCL
CCN-082/102/122-L0.2N,限流止回阀
CCV-102/122/162/T16/T18,CCV/CCL-062/092/082,CCN-082/102/122止回阀系列
CCV/CCL-062/092/082-X0.2N,止回阀CCV/CCL
CCN-082/102/122-L0.2N,限流止回阀
取消
发送询价
分享好友
了解产品首页
频道列表
我要评论