返回
安全阀
首页
>
了解产品
>
阀门 流体控制
>
通用阀门
>
安全阀
A42Y-25R,A42Y-40C, A42Y-40P, A42Y-40R ,A42Y-64 ,弹簧全启封闭式安全阀
2012-05-17 16:53
945
信息概况
价格:
未填
型号:
A42Y-25R,A42Y-40C, A42Y-40P, A42Y-40R ,A42Y-64 ,
发货:
3天内
发送询价
A42Y-25R,A42Y-40C, A42Y-40P, A42Y-40R ,A42Y-64 ,弹簧全启封闭式安全阀
A42Y
弹簧全启封闭式
安全阀
适用于工作温度
≤300
℃
空气、石油气、液体等介质的设备和管路上。
A42Y-P
型及
A42Y-R
型适用于工作温度
≤200
℃
有腐蚀性的介质的设备和管路上,作为超压保护装置。
弹簧全启封闭式
安全阀
连接法兰标准按
JB/T……-94
系列
1
。
≥6.4MPa
按
JB/T……-94
系列
2
。
主要零部件材料
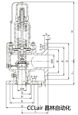
外形尺寸和连接尺寸
联系方式
姓名:销售员 1075(女士)
职位:销售员
电话:
13861877712
传真:0510-82328771
地区:江苏-无锡市
地址:
无锡市会北路28-135
邮编:214001
QQ:
2355802919
0
人关注
0
人点赞
举报
评分:
分
扫一扫访问当前网页
复制链接
二维码
短信
邮件
关闭
同类了解产品
HLAF-P6/1.0,HLAF-P8/1.0,HLAF-P10/1.0,HLAF-P15/1.0,HLAF-P20/1.0,安全阀/高压安全阀
YB-160,DZY-F25B,安全自锁阀
VR10P15,VR10P20,VR10P25,VR10P32,VR10P40,VR10P50,安全阀
Northman台湾北部精机,二通插裝式安全阀LSV16A10-30-20,LSV40A10-30-20,LSV25A20-30-20,LSV50A20-30V-20,LSV16H30-30-20,LSV32E10-30V-20,LSV40E20-30-20,LSV16A20-30V-10,LSV25A40-30V-10,LSV40H40-30V-10,LSV50H10-30V-10
CVP-XP027B0080,Danfoss恒压导阀
CVP-LP027B1101,Danfoss恒压导阀
取消
发送询价
分享好友
了解产品首页
频道列表
我要评论