返回
定量叶片泵
首页
>
了解产品
>
油泵 齿轮泵 组合泵
>
叶片泵及泵组
>
定量叶片泵
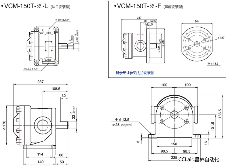
VCM-150T-61-LR,VCM-150T-75-LR,VCM-150T-94-LR,VCM-150T-116-LR,定量叶片泵
2012-05-15 10:17
784
信息概况
价格:
未填
型号:
VCM-150T-61-LR,VCM-150T-75-LR,VCM-150T-94-LR,VCM-150T-116-LR
发货:
3天内
发送询价
VCM-50T及150T泵浦,具有消除油液所产生的涡流特性,安静,平稳高效率,极适合高低压系统中作为低压泵浦的使用。
压力平衡型结构 轴负荷小,寿命长,噪音小。
结构简单,易维护,法兰型可直结马达,安装简便。
型式
最高压力
kgf/cm²
转速1200rpm , 工作油黏度20cSt 时之特性
容许回转速
重量
(kg)
回转速rpm
吐出量(L/min)
轴入力(KW)
3.5
kgf/cm²
35
kgf/cm²
70
kgf/cm²
3.5
kgf/cm²
35
kgf/cm²
70
kgf/cm²
最高
最低
脚座型
法兰型
50T-7
70
1200
7.9
6.9
5.7
0.20
0.82
1.51
2000
800
10.5
9
1500
9.9
8.9
7.7
0.30
1.05
1.87
1800
11.9
10.9
9.7
0.34
1.26
2.28
50T-12
70
1200
13.5
12.5
11.3
0.21
1.12
2.13
2000
600
10.5
9
1500
16.8
15.8
14.6
0.31
1.42
2.70
1800
20.2
19.2
18.0
0.39
1.73
3.23
50T-17
70
1200
19.2
18.2
17.0
0.30
1.48
2.80
1800
600
10.5
9
1500
24.0
23.0
21.8
0.39
1.86
3.50
1800
28.8
27.8
26.6
0.52
2.28
4.23
50T-23
70
1200
27.0
25.7
24.1
0.32
1.94
3.75
1800
600
10.5
9
1500
33.7
32.4
30.8
0.47
2.50
4.73
1800
40.4
39.1
37.5
0.58
3.01
5.71
50T-26
70
1200
30.0
28.5
26.6
0.40
2.33
4.47
1800
600
10.5
9
1500
37.5
36.0
34.1
0.52
2.92
5.60
1800
45.0
43.5
41.6
0.71
3.57
6.73
50T-36
70
1200
42.0
40.4
38.4
0.52
3.18
6.15
1800
600
10.5
9
1500
52.5
50.9
48.9
0.72
3.95
7.60
1800
63.0
61.4
59.4
0.98
4.83
9.18
150T-48
70
1200
47.0
43.5
40.0
0.9
3.9
7.2
1500
600
26
25
1500
56.5
53.0
49.5
1.1
4.7
8.6
1800
70.5
67.0
63.5
1.4
5.8
10.7
150T-61
70
1200
60.0
56.5
50.0
1.1
4.8
8.8
1500
600
26
25
1500
72.0
68.5
65.0
1.3
5.7
10.5
1800
90.0
86.5
83.0
1.7
7.1
13.1
150T-75
70
1200
73.7
70.4
66.0
1.3
5.6
10.3
1500
600
26
25
1500
88.5
84.5
81.0
1.5
6.7
12.4
1800
111.0
107.0
103.5
1.9
8.3
15.5
150T-94
70
1200
92.5
88.0
82.5
1.4
6.8
12.8
1800
600
26
25
1500
111
106.5
101.0
1.7
8.3
15.4
150T-116
70
1800
116.0
110.0
103.0
1.7
8.5
16.1
1800
600
26
25
1200
139.0
133.0
126.0
2.0
10.3
19.3
保持液压油纯净,防止异物混入系统
污染的液压油容易引起叶片泵浦故障及减少其寿命,为使压油保在NAS10级内,应在吸入口安装一个100UM(150目)的滤油器,滤油器应在最少离油箱底部50mm。
准确的轴心同心度
安装泵浦请尽量可能使用联轴器,以避免因弯曲或偏心所产生的任何应力,最大轴向允差0.25mm,容许最大角度误差为0.2度。
吸力压力
泵浦吸入压力数值请见附表:
型式
吸入压力
最低吸入压力
最高吸入压力
石油积系液压油
磷酸脂液含水液压液
50T , 150T
-20kPa (-150mmHG)
-16kPa (-120mmHG)
+140kPa (+14kgf/cm²)
1M , 2M , 3M
-20kPa (-150mmHG)
-16kPa (-120mmHG)
+30kPa (+0.3kgf/cm²)
12M , 13M , 23M
-20kPa (-150mmHG)
启动注意事项
在初次工作或长期停止运转重新启动时可能会产生吸油较为困难,为此应预先在输出口端安装排气阀,或稍为松开出口端接头,以便排出空气,并请尽可能在零负载状况下进行点动方式启动。
其他注意事项
若是VCM-*M系列泵浦工作转速低於1200rpm时,请於安装时将帮浦吸入口朝上,以便启动时易於吸油。
联系方式
姓名:销售员 1066(女士)
职位:销售员
电话:
13812199898
传真:0510-82328771
地区:江苏-无锡市
地址:
无锡市会北路28-135
邮编:214001
QQ:
2355802921
0
人关注
0
人点赞
举报
评分:
分
扫一扫访问当前网页
复制链接
二维码
短信
邮件
关闭
同类了解产品
V-104-Y-10,V-104-E-10,V-104-G-10,V-104-A-10,V-104-C-10,V-104,124,134,144系列定量叶片泵
Northman台湾北部精机,低压型定量叶片泵VPNE-F48-2-30,VPNE-F61-2-30,VPNE-F75-2-30,VPNE-F94-2-30,VPNE-F116-2-30,VPNE-48-2-30,VPNE-61-2-30,VPNE-75-2-30,VPNE-94-2-30,VPNE-116-2-30
Northman台湾北部精机,定量叶片泵VPNC-F07-2-30,VPNC-F12-2-30,VPNC-F14-2-30,VPNC-F21-2-30,VPNC-F23-2-30,VPNC-F26-2-30,VPNC-07-2-30,VPNC-12-2-30,VPNC-21-2-30,VPNC-23-2-30
DS-F12R,DS-F13R,DS-F14R,DS-L12R,DS-L13R,DS-L14R,DS,固定容量泵浦YEESEN
150T-48-F-R-R,150T-75-L-R-L,150F-126-L-L-L,150T-116-F-R-R,150T,固定容量泵浦YEESEN
50T-7-F-R-R,50T-17-F-L-R,50T-39-F-L-L,50F-20-F-L-L,50T,固定容量泵浦YEESEN
取消
发送询价
分享好友
了解产品首页
频道列表
我要评论