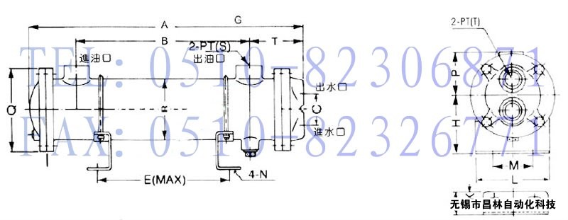
1、传热面积广:本冷却器的传热管采用铜管螺纹式的设计,其接触面积广,故传热效果比一般平滑传热管要高。 2、传热良好:本系列铜管是用铜管直接旋烧加工,使传热管一体化,故传热良好且确实,没有焊点脱落造成传热不佳之处。 3、能适合大流量:传热管支数减少,使用油液流畅面积增大,且能防止压力的损耗。内配有隔板引导流向,能产生弯曲流向,增长流程,发挥效力。 4、良好的传热管:采用导热性良好的99.9%纯铜,为最适合散热的冷却管。 5、不漏油:因板管与本体采用一体化设计,可以避免水与油混合的困扰,同时在出厂前经过气密测试确实紧密,故能达到防漏的目的。 6、装配容易:脚座可360度自由转动,对于本体随意更换方向及角度装配,通过脚座可直接焊接在母机或油槽的任何位置,既方便又简单。
备注: 管外测试压力1.5MPa,管内测试压力1.0MPa,空气压力0.65MPa。
油出入口 OIL PORTS