XCB-B2.5,XCB-B4,XCB-B6,XCB-B10,XCB-B16,TXCB-B2.5,TXCB-B4,TXCB-B6,TXCB-B10,特制稀油润滑设备专用油泵
TXCB-B16,TXCB-B20,TXCB-B25,TXCB-B32,TXCB-B40,TXCB-B50,TXCB-B63,TXCB-B80,TXCB-B100,TXCB-B125,
TXCB-B特制稀油润滑专用油泵产品简介
TXCB-B系列特制稀油润滑设备专用油泵,是本厂根据稀油润滑设备的实际需要研制而成的专用油泵。此泵噪音底,结构紧凑,工作可靠,输油平稳。安装尺寸完全类同CB-B系列齿轮油泵,因此可换同排量的齿轮油泵。
TXCB-B系列特制稀油润滑设备专用油泵型号说明

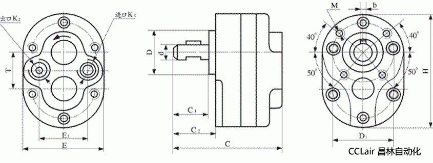
TXCB-B系列特制稀油润滑设备专用油泵外形图
TXCB-B系列特制稀油润滑设备专用油泵技术参数
|
型号
|
额定流量
h/min
|
额定排量
ml/r
|
额定压力
Pa
|
额定转速
min
|
容积效率
ηv%
|
总效率
ηbdt%
|
压力脉动
Pa
|
噪声值
分贝
|
电机功率
w
|
|
XCB-B2.5
|
2.5
|
2
|
2.5
|
1450
|
≤70
|
≤63
|
±0.20
|
62~65
|
0.37
|
|
XCB-B4
|
4
|
3
|
≤80
|
≤72
|
|
XCB-B6
|
6
|
4
|
0.55
|
|
XCB-B10
|
10
|
7
|
≤90
|
≤81
|
|
XCB-B16
|
16
|
11
|
67~70
|
1.1
|
|
XCB-B20
|
20
|
14
|
|
XCB-B25
|
25
|
17
|
1.5
|
|
XCB-B32
|
32
|
22
|
≤94
|
≤85
|
|
XCB-B40
|
40
|
28
|
74~77
|
2.2
|
|
XCB-B50
|
50
|
35
|
|
XCB-B63
|
63
|
45
|
3
|
|
XCB-B80
|
80
|
55
|
78~80
|
4
|
|
XCB-B100
|
100
|
70
|
≤95
|
≤86
|
|
XCB-B125
|
125
|
86
|
5.5
|
TXCB-B系列特制稀油润滑设备专用油泵技术规格
|
型号
|
C
|
E
|
H
|
C1
|
C2
|
D(
|
D1
|
d
|
E1
|
T
|
b
|
M
|
K1
|
K2
|
|
XCB-B2.5
|
79
|
66
|
96
|
25
|
30
|
a35
|
a50
|
a12
|
35
|
30
|
4
|
M6
|
Z3/8"
|
Z3/8"
|
|
XCB-B4
|
82
|
|
XCB-B6
|
86
|
|
XCB-B10
|
94
|
|
XCB-B16
|
107
|
90
|
132
|
30
|
35
|
a50
|
a65
|
a6
|
50
|
42
|
5
|
M8
|
Z3/4"
|
Z3/4"
|
|
XCB-B20
|
111
|
|
XCB-B25
|
115
|
|
XCB-B32
|
121
|
|
XCB-B40
|
132
|
102
|
154
|
35
|
40
|
a55
|
a80
|
a22
|
55
|
52
|
6
|
M8
|
Z1"
|
Z3/4"
|
|
XCB-B50
|
138
|
|
XCB-B63
|
144
|
|
XCB-B80
|
158
|
121
|
186
|
45
|
50
|
a70
|
a95
|
a30
|
65
|
65
|
8
|
M8
|
Z1/4"
|
Z1"
|
|
XCB-B100
|
165
|
|
XCB-B125
|
174
|