QGBII-C32,QGBII-C40,QGBII-C50,QGBII-C63,QGBII-C80,QGBII-C100,QGBII-C125,QGBII-C160,QGBII-C200,三位气缸
一、特点:
两种均为QGBⅡ系列相同缸径的气缸串联而成的双活塞气缸,两活塞运动方向相同。
QGBⅡ-J系列为增力气缸,前后两活塞杆联为一体,其杆端输出力为单活塞推、拉力之和,拉力为单活塞拉力二倍。
此产品也可作为气液阻尼气缸应用。
QGBⅡ-C系列为三位气缸前后两活塞杆单独分开。当前缸行程(S)大于后缸行程(S1)时,前端活塞杆头有三个位置。
QGBⅡ-J S=S1) 对QGBⅡ-C S>S1。
适用前后法兰(MF1、MF2)脚架(MS1)和单双耳尾座(MP4、MP2)安装形式,其安装件与QGBⅡ相同。
二 、图形符号:

三、型号说明:

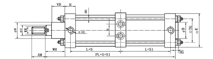
四、外形及安装尺寸:

| 缸径 |
32 |
40 |
50 |
63 |
80 |
100 |
125 |
160 |
200 |
250 |
320 |
| PL |
192 |
215 |
230 |
249 |
267 |
292 |
345 |
395 |
410 |
441 |
490 |
| N |
17 |
20 |
24 |
28 |
28 |
35 |
35 |
50 |
50 |
80 |
70 |
| EE |
M8*1 |
M10*1 |
M10*1 |
M14*1.5 |
M14*1.5 |
M18*1.5 |
M18*1.5 |
M22*1.5 |
M22*1.5 |
M27*2 |
M33*2 |
| L |
72 |
80 |
85 |
91 |
93 |
103 |
120 |
135 |
135 |
141 |
155 |
五、示例
1、缸径50mm行程S为100,S1为100的后法兰式增力气缸
QGBⅡ-J50×100×100-MF2
2、缸径80mm行程S为200,S1为100的单耳尾座式串联气缸
QGBⅡ-C80×200×100-MP4 QGBII-C250,QGBII-C320,