QGBZ-50,QGBZ-63,QGBZ-80,QGBZ-100,QGBZ-125,QGBZ-160,QGBZ-200,QGBZ-250,重型气缸
一、特点:
QGBZ系列气缸为单活塞杆双作用两侧可调缓冲气缸。
气缸外形安装尺寸符合ISO/6430国际标准。
主要材料选用优质碳素结构钢制造,坚固耐用,适用于恶劣条件下工作。
QGBZ系列缸是我公司的新产品,可代替老产品QGA、QGB系列气缸,凡是QGA、QGB系列气缸适用的场合,GQBZ系列气缸均可适用;且尺寸紧凑,安装空间可以减少。
二、图形符号:

三、型号说明:

四、技术参数:
|
内径(mm)Ф
|
50
|
63
|
80
|
100
|
125
|
160
|
200
|
250
|
|
使用范围(MPa)
|
0.1--0.8MPa
|
|
工作介质
|
洁净压缩空气
|
|
使用速度范围(mm/sec)
|
50--700
|
|
使用温度范围(℃)
|
-10--+70
|
|
技术等级
|
GB197-81 6g6H
|
|
理论作用力(N)
压力为0.5MPa时
|
推力
|
834
|
1324
|
2135
|
3336
|
5213
|
8602
|
13440
|
21000
|
|
拉力
|
673
|
1162
|
1927
|
3127
|
4871
|
8064
|
12902
|
20319
|
|
缓冲
|
两侧可调缓冲
|
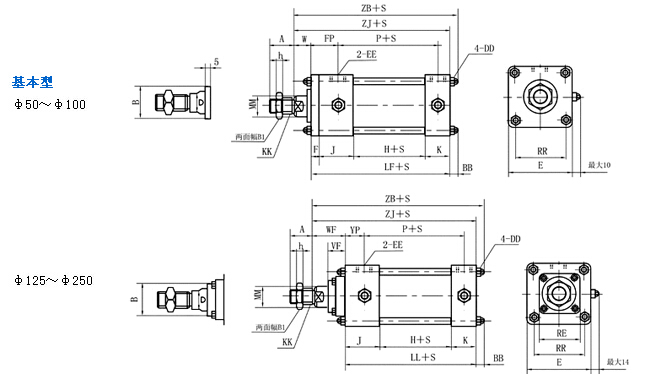
五、外形及安装尺寸1:

| 气缸内径(mm) |
A |
B |
B1 |
BB |
D |
DD |
E |
EE |
F |
FP |
H |
h |
J |
| φ50 |
32 |
φ34 |
22 |
7 |
19 |
M6*1 |
□62 |
M12*1.25 |
10 |
34 |
30 |
10 |
38 |
| φ63 |
32 |
φ34 |
22 |
9 |
19 |
M8*1.25 |
□76 |
M16*1.5 |
10 |
34 |
33 |
10 |
38 |
| φ80 |
40 |
φ39 |
27 |
10 |
22 |
M10*1.5 |
□94 |
M16*1.5 |
16 |
43 |
31 |
12 |
45 |
| φ100 |
40 |
φ39 |
27 |
10 |
22 |
M10*1.5 |
□114 |
M20*1.5 |
16 |
43 |
31 |
12 |
45 |
| φ125 |
54 |
φ46 |
36 |
13 |
27 |
M12*1.75 |
□138 |
M20*1.5 |
- |
- |
37 |
16 |
45 |
| φ160 |
72 |
φ55 |
50 |
16 |
36 |
M16*2 |
□178 |
M27*2 |
- |
- |
43 |
20 |
50 |
| φ200 |
42 |
φ55 |
50 |
16 |
36 |
M16*2 |
□216 |
M27*2 |
- |
- |
43 |
20 |
50 |
| φ250 |
84 |
φ60 |
60 |
19 |
41 |
M20*.25 |
□270 |
M33*2 |
- |
- |
55 |
22 |
57 |
| 气缸内径(mm) |
KK |
K |
LF |
LL |
MM |
P |
RE |
RR |
VF |
W |
WF |
YP |
ZB |
ZJ |
| φ50 |
M16*1.5 |
25 |
103 |
|
φ22 |
58 |
- |
□47 |
- |
15 |
- |
- |
125 |
118 |
| φ63 |
M16*1.5 |
25 |
106 |
|
φ22 |
61 |
- |
□56 |
- |
15 |
- |
- |
130 |
121 |
| φ80 |
M20*1.5 |
32 |
124 |
|
φ25 |
67 |
- |
□70 |
- |
19 |
- |
- |
153 |
143 |
| φ100 |
M20*1.5 |
32 |
124 |
|
φ25 |
67 |
- |
□84 |
- |
19 |
- |
- |
153 |
143 |
| φ125 |
M27*2 |
32 |
- |
114 |
φ32 |
73 |
□65 |
□104 |
21 |
- |
35 |
27 |
162 |
149 |
| φ160 |
M36*2 |
38 |
- |
131 |
φ40 |
85 |
□76 |
□134 |
25 |
- |
41 |
29 |
188 |
172 |
| φ200 |
M36*2 |
38 |
- |
131 |
φ40 |
85 |
□76 |
□163 |
25 |
- |
41 |
29 |
188 |
172 |
| φ250 |
42*2 |
50 |
- |
162 |
φ45 |
109 |
□90 |
□202 |
30 |
- |
48 |
30 |
229 |
210 |

| 气缸内径φ(mm) |
AB(φ) |
AE |
AH |
AL |
AO |
AT |
R |
SA |
UA |
XA |
EF |
FB(φ) |
TF |
MR2 |
| 50 |
12 |
72 |
41 |
26 |
12 |
6 |
47 |
155 |
70 |
144 |
65 |
9 |
86 |
R17 |
| 63 |
12 |
86 |
48 |
28 |
12 |
6 |
56 |
162 |
80 |
149 |
76 |
9 |
98 |
R17 |
| 80 |
14 |
106 |
59 |
34 |
14 |
8 |
70 |
192 |
97 |
177 |
95 |
12 |
119 |
R23 |
| 100 |
14 |
123 |
66 |
34 |
14 |
8 |
84 |
192 |
114 |
144 |
115 |
12 |
138 |
R23 |
| 125 |
18 |
148 |
79 |
43 |
18 |
10 |
104 |
200 |
138 |
192 |
138 |
14 |
168 |
R22 |
| 160 |
22 |
187 |
98 |
50 |
22 |
10 |
134 |
231 |
178 |
222 |
178 |
18 |
212 |
R30 |
| 200 |
22 |
226 |
118 |
55 |
22 |
15 |
163 |
241 |
216 |
227 |
216 |
18 |
250 |
R30 |
| 250 |
26 |
276 |
141 |
60 |
24 |
15 |
202 |
282 |
270 |
270 |
270 |
22 |
312 |
R42 |
| 气缸内径φ(mm) |
UF |
CD(φ) |
EW1 |
L |
LR1 |
MR1 |
XC |
ZC |
ZL |
CP |
UB |
BD |
EW2 |
LR2 |
| 50 |
104 |
14H9 |
20 |
- |
R19 |
R16 |
137 |
151 |
128 |
66 |
52 |
30 |
20 |
R19 |
| 63 |
116 |
14H9 |
20 |
- |
R19 |
R16 |
140 |
154 |
134 |
66 |
52 |
30 |
20 |
R19 |
| 80 |
143 |
20H9 |
32 |
- |
R26 |
R22 |
175 |
195 |
161 |
78 |
64 |
35 |
32 |
R32 |
| 100 |
162 |
20H9 |
32 |
- |
R27 |
R22 |
175 |
195 |
161 |
78 |
64 |
40 |
32 |
R32 |
| 125 |
196 |
20H9 |
32 |
36 |
R26 |
R22 |
205 |
219 |
169 |
78 |
64 |
43 |
32 |
R26 |
| 160 |
248 |
28H9 |
40 |
44 |
R32 |
R30 |
236 |
264 |
192 |
97 |
80 |
53 |
40 |
R32 |
| 200 |
286 |
28H9 |
40 |
44 |
R32 |
R30 |
241 |
269 |
197 |
97 |
80 |
53 |
40 |
R32 |
| 250 |
356 |
36H9 |
50 |
58 |
R42 |
R46 |
298 |
334 |
240 |
117 |
100 |
58 |
50 |
R46 |
| 气缸内径φ(mm) |
MT4型 |
TD |
TL |
TM |
TR |
UM |
UW |
XI |
T |
W |
ZF |
F |
| 最小PH |
最小行程 |
| 50 |
78 |
0 |
259 |
25 |
76 |
1.6 |
126 |
71 |
78 |
10 |
15 |
128 |
10 |
| 63 |
79.5 |
0 |
259 |
25 |
88 |
1.6 |
138 |
86 |
79.5 |
13 |
15 |
131 |
10 |
| 80 |
99 |
7 |
259 |
25 |
114 |
1.6 |
164 |
104 |
95.5 |
18 |
19 |
159 |
16 |
| 100 |
101.5 |
12 |
259 |
25 |
132 |
2 |
182 |
128 |
95.5 |
18 |
19 |
159 |
16 |
| 125 |
101.5 |
6 |
259 |
25 |
158 |
2 |
208 |
158 |
98.5 |
20 |
19 |
165 |
26 |
| 160 |
119 |
13 |
369 |
36 |
200 |
2.5 |
272 |
200 |
112.5 |
20 |
21 |
192 |
20 |
| 200 |
119 |
13 |
369 |
36 |
246 |
2.5 |
318 |
246 |
112.5 |
25 |
21 |
192 |
20 |
| 250 |
134 |
0 |
459 |
45 |
304 |
3 |
394 |
304 |
132.5 |
23 |
23 |
235 |
25 |