返回
减压阀
首页
>
了解产品
>
液压元件 液压阀
>
压力控制阀
>
减压阀
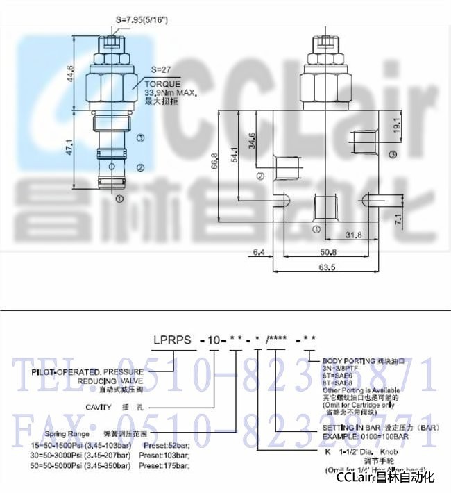
LPRPS-10-50-K-3N,LPRPS-10-50-K-6T,LPRPS-10-50-K-8T,先导式减压阀,
2012-05-15 22:21
792
信息概况
价格:
未填
型号:
LPRPS-10-50-K-3N,LPRPS-10-50-K-6T,LPRPS-10-50-K-8T,
发货:
3天内
发送询价
联系方式
姓名:销售员 1040(女士)
电话:
13812199898
传真:0510-82328771
地区:江苏-无锡市
地址:
无锡市会北路28-135
邮编:214000
QQ:
2355802921
0
人关注
0
人点赞
举报
评分:
分
扫一扫访问当前网页
复制链接
二维码
短信
邮件
关闭
同类了解产品
G-03-B-22,RG-03-C-22,RG-03-H-22,RG-06-B-22,RG-06-C-22,RG-06-H-22,RG-10-..-22,RCG-03-B-22,RCG-03-C-22,RCG-03-H-22,RCG-06-B-22,RCG-06-C-22,RCG-06-H-22,RCG-10-..-22,RT-03-B-22,RT-03-C-22,RT-03-H-22,RT-06-B-22,RT-06-C-22,RT-06-H-22,RT-10-..-22单向减压阀
MRP-01-C-30,MRA-01-C-30,MRB-01-C-30,MRB-06-C-30,MRP-06-H-30,MRA-06-H-30,MRB-06-H-30,MRA-04-H-10,MRB-04-H-10,MRP-06-C-30,MRA-06-C-30,MRP-04-C-10,MRA-04-C-10,MRB-04-C-10,MRP-04-H-10,MRP-01-H-30,MRB-03-C-30,MRP-03-H-30,MRA-03-H-30,MRB-03-H-30,油研叠加式减压阀
LKF-40,LKF-60,LKF-114,LKF-40-3/8NPT,LKF-60-1/2NPT,LKF-114-3/4NPT,LKF-60压力补偿可变流量控制阀
液压叠加式减压阀DY-02A,DY-02B,DY-02P,DY-02W,DY-03A,DY-03B,DY-03P,DY-03W,
液压叠加式减压阀SRV-02A,SRV-02B,SRV-02P,SRV-02W,SRV-03A,SRV-03B,SRV-03P,SRV-03W,
液压叠加式减压阀MRF-02A,MRF-02B,MRF-02P,MRF-02W,MRF-03A,MRF-03B,MRF-03P,MRF-03W,MRF-04A,MRF-04B,MRF-04P,MRF-06A,MRF-06B,
取消
发送询价
分享好友
了解产品首页
频道列表
我要评论