返回
控制调节仪
首页
>
了解产品
>
仪器仪表 自动化
>
智能与温度仪表
>
控制调节仪
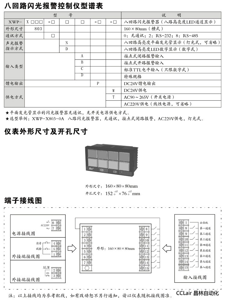
XWP-X803, 报警控制仪
2012-05-15 15:06
966
信息概况
价格:
未填
型号:
XWP-X803
发货:
3天内
发送询价
XWP-X803, 报警控制仪
联系方式
姓名:销售员(女士)
电话:
13861877712
传真:0510-82308771
地区:江苏-无锡市
地址:
无锡市会北路28-135
邮编:214000
QQ:
2355802921
0
人关注
0
人点赞
举报
评分:
分
扫一扫访问当前网页
复制链接
二维码
短信
邮件
关闭
同类了解产品
DST-11300,模糊PID调节器
DST-15300,智能PID调节器
DST-15400,多段PID自整调节器
SY-DT320G-N02D002,SY-DT320G-N14D002,SY-DT320G-N02D102,DT320G单光柱数显控制仪
SY-DT316G-N02D002,SY-DT316G-N14D002,SY-DT316G-N02D102,DT316G单光柱数显控制仪
SY-DT309G-N02D002,SY-DT309G-N14D002,SY-DT309G-N02D102,DT309G单光柱数显控制仪
取消
发送询价
分享好友
了解产品首页
频道列表
我要评论