一、功能简介
SXF系列双向润滑油泵,它的主要特点是体积小,可附着在机械上与之成为一体而不需专门提供动力,转速应用范围广,能在每分钟100-150转内使用,驱动轴正反转时,其进油口和出油口不变。长时间停止使用再运转时,也能自动吸油启动,因为它具有自动润滑、磨损自动补偿功能,所以无需日常维护而使用寿命长。广泛应用于各种冶金机械、石油化工机械、矿山机械、传动机械、减速机,适用于偏心受力传动、轴向传动的机械设备中的润滑。
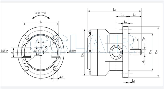
二、外形及安装尺寸

|
型号
|
流量
L/min |
D
|
D1
|
d
|
d1
|
d2j6
|
D2j6
|
D3
|
L
|
L1
|
L2
|
L3
|
L4
|
L5
|
J1
|
J2
|
J3
|
J4
|
|
SXF15
|
1.5
|
95
|
123
|
Z1/2"
|
10.5
|
12
|
80
|
110
|
86
|
119
|
29
|
33
|
11
|
3
|
25
|
2
|
13.5
|
4
|
|
SXF25
|
5-50
|
120
|
130
|
Z1"
|
11.5
|
16
|
100
|
140
|
108
|
171
|
55
|
38
|
12
|
3
|
25
|
4
|
17.5
|
4
|
|
SXF32
|
9-90
|
140
|
120
|
Z11/4"
|
11.5
|
20
|
120
|
160
|
109
|
209
|
97
|
38
|
12
|
3
|
25
|
4
|
22.5
|
4
|
三、技术规格
使用说明:
1、油泵安装须注意进出油口标记,进油口为S,出油口为D,若方向不对,不但不上油而且会损坏油泵
2、为了减少排空时间,吸油管路下端要安装与本泵配套的管式单向阀,单向阀的位置应处于泵与油液平面1/2处,安装时向泵内及吸油管内注满油。
3、吸油管路应保证密封无泄漏,否则油泵不出油或达不到出油标准。
4、正常工作转速为100-1500r/min。
5、最高工作环境温度100℃。
6、吸油高度小于2m。

