1、YEJ电机用,制动器励磁线圈的额定直流电压为:DZS3-30及以下=DC99V DZS3-40及以上=DC171V并可根据用户要求设计特殊电压。
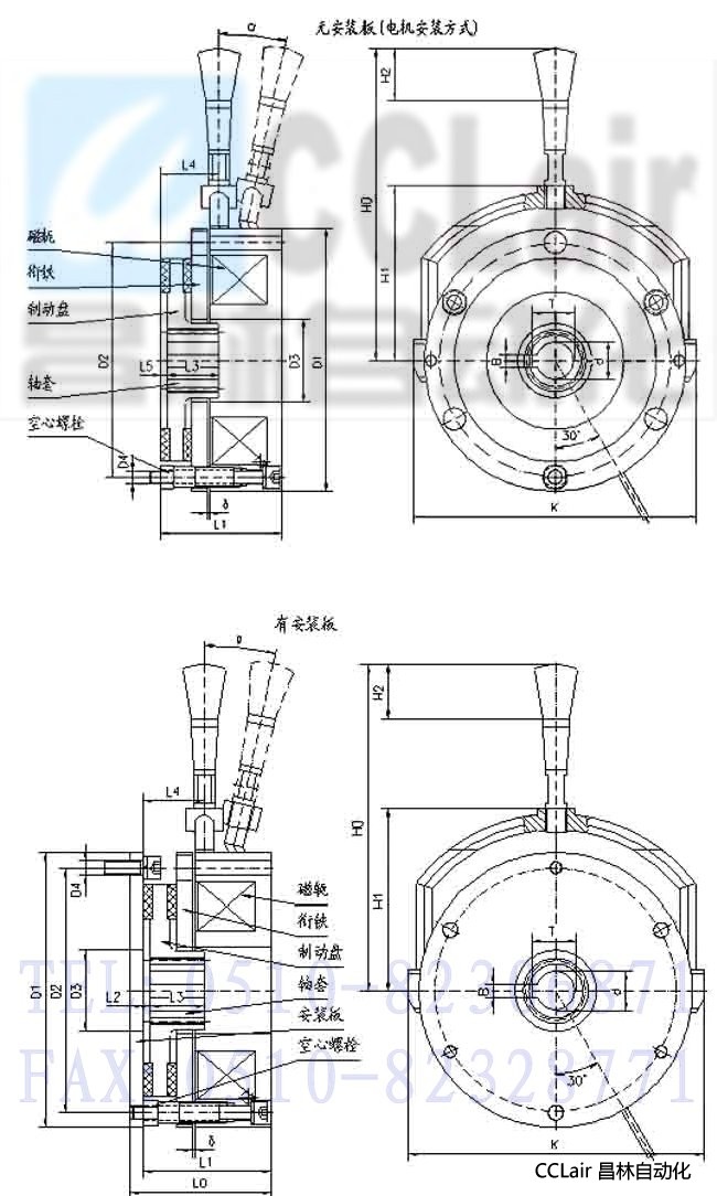
外型及安装尺寸
型号(NM)
电机机座号
d
B
T
D1
D2
D3
D4
L0
L1
L2
L3
L4
L5
H0
H1
H2
K
δ
α
DZS3-5
YEJ71
14.8
5
16.2
101
90
30
3-M5
42
37.5
7.5
20
25.3
2.5
120
67
110
0.3
12°
DZS3-8
YEJ80
19.8
6
22.6
118
105
40
44.5
38.5
9
3
135
75
124
DZS3-15
YEJ90
24.8
8
28.1
128
114
48
3-M6
63.5
55.5
11
25
31.9
141
81
137
0.4
10°
DZS3-30
YEJ100
29.5
32.8
147
133
57
10.5
32.4
169
92
155
DZS3-40
YEJ112
166
150
3-M8
64.5
56.5
35
189
102
172
0.5
8°
DZS3-80
YEJ132
39.5
12
42.8
187
170
69
74.5
12.5
37
234
115
191
DZS3-150
YEJ160
47.8
222
202
79
4-M10
14.5
39.6
345
224
0.6
H3
H4
DZS3-200
YEJ180
14
52.8
265
244
122
108
96
4.5
16.5
DZS3-300
YEJ200
18
63.4
310
280
132
4-M12
3.5
50
15.5
0.8
DZS3-450
YEJ225
69.4
330
300
142
56
17.5
DZS3-600
YEJ250
380
350
4-M16
149
4
DZS3-850
YEJ280
72.9
422
390
6-M16
134
62
1
DZS3-2000
YEJ315
22
85.4
580
550
240
160
140
27.5
1.2