返回
流量阀
首页
>
了解产品
>
液压元件 液压阀
>
流量控制阀
>
流量阀
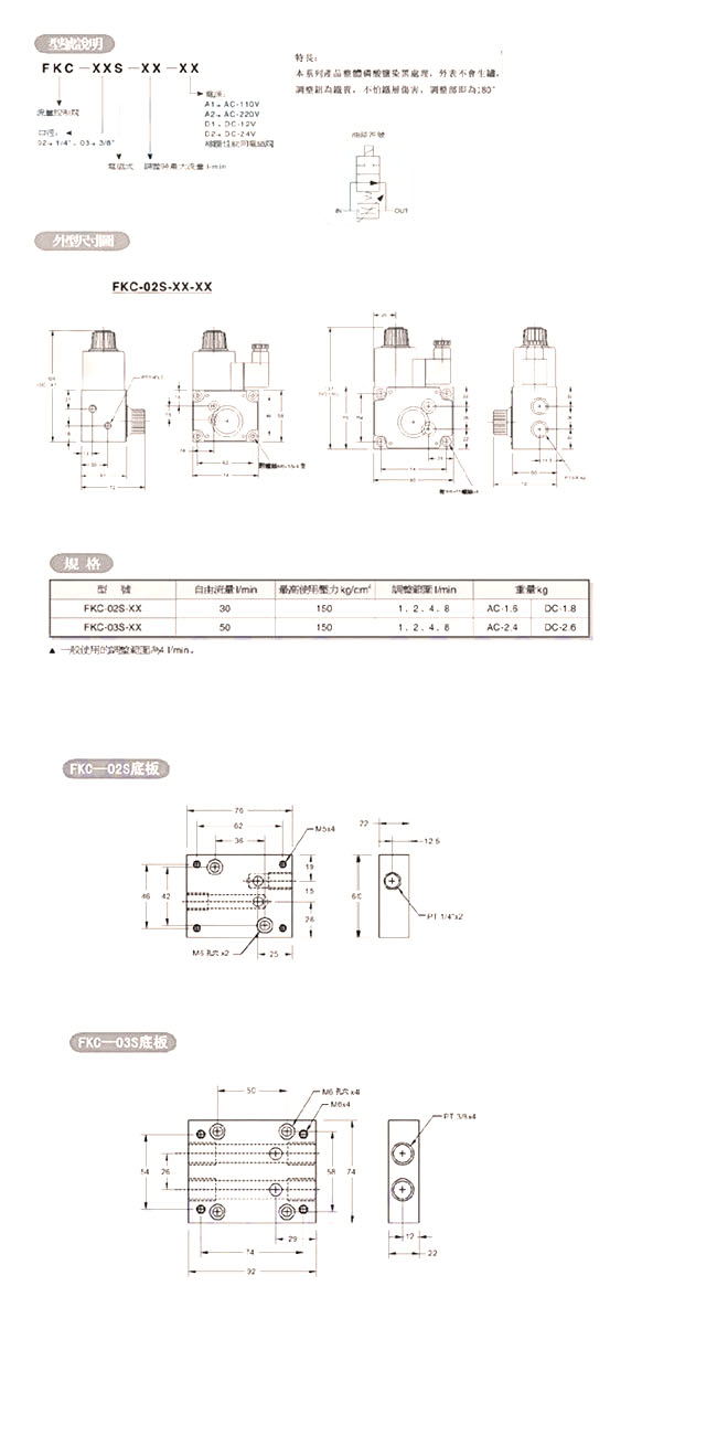
FKC-02S-30,FKC-02S-50,FKC-03S-30,FKC-03S-50,电磁式旋转型流量控制阀,
2016-03-05 09:34
1602
信息概况
价格:
未填
型号:
FKC-02S-30,FKC-02S-50,FKC-03S-30,FKC-03S-50,
发货:
3天内
发送询价
联系方式
姓名:销售员 1028(女士)
电话:
13812199898
传真:0510-82306839
地区:江苏-无锡市
地址:
无锡市会北路28-135
邮编:214000
QQ:
2355802919
0
人关注
0
人点赞
举报
评分:
分
扫一扫访问当前网页
复制链接
二维码
短信
邮件
关闭
同类了解产品
MFS-02A,MFS-02B,MFS-02T,MFS-02P,MFS-03A,MFS-03B,MFS-03T,MFS-03P,MFS-04T电磁流量阀
CNS-082,CNF-085,CNV/CNC-082/102/122 ,流量控制阀
CNC-102-L2.0N,CNC-122-L2.0N流量阀集流阀
0880100,0880300,0880200,0880400,压力控制器D500/18D系列 螺纹G1/4
¥
999.00
0880100,0880300,0880200,0880400,压力控制器D500/18D系列 螺纹G1/4
¥
999.00
0880100,0880300,0880200,0880400,压力控制器D500/18D系列 螺纹G1/4
¥
999.00
取消
发送询价
分享好友
了解产品首页
频道列表
我要评论