返回
电磁换向阀
首页
>
了解产品
>
液压元件 液压阀
>
方向控制阀
>
电磁换向阀
341A,341B,342A,343A,343B,气阀
2012-09-04 13:24
1017
信息概况
价格:
未填
型号:
341A,341B,342A,343A,343B,
发货:
3天内
发送询价
341A,341B,342A,343A,343B,气控换向阀
用途与特点
气阀主要适用于载重汽车自动装卸系统。由于操作动力采用气源,使得阀的安装和使用十分方便,并且具有不怕风吹日晒和防爆的功能。气阀还设置了一个节流阀,从而保证了车厢装载的平稳性。目前我厂主要生产五种型号的气阀:341A,341B,342A,343A,343B。而每一种都有分配阀、单向阀、节流阀组成。
性能参数
型号
额定压力 MPa
额定流量 L/min
气控压力 MPa
341A
21
70
0.5≤P≤0.7
341B
21
70
0.5≤P≤0.7
342A
21
100
0.5≤P≤0.7
343A
21
100
0.5≤P≤0.7
343B
21
100
0.5≤P≤0.7
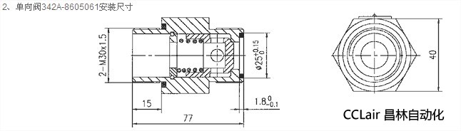
341A机能及安装尺寸
4、工作原理
当分配阀处于原始位置,而油泵又关闭时,汽车车斗处于水平位置。此时启动油泵,车斗就将举起卸载,关闭油泵车斗还应保持举起位置。当车上货物卸完后,开启气源分配阀换向,车斗将缓缓放下,调节节流阀就可调节车斗下降的速度。
5、故障处理
a.如果车斗不能上下运动,检查分配阀是否卡死,分配阀弹簧是否断裂,控制气源是否安装完好;
b.如果车斗举起后不能保压,则单向阀有可能卡死,只要更换单向阀即可;
c.如果车斗下降速度太快或太慢,只要松开节流阀锁紧螺母,调节节流阀至所需速度然后再锁紧螺母即可。
341B机能及安装尺寸
2、单向阀341B-8605061安装尺寸(同前)
3、节流阀MG15-LQ安装尺寸(同前)
4、工作原理
当分配阀处于原始位置,而油泵又关闭时,汽车车斗处于水平位置。此时启动油泵,车斗就将举起卸载,关闭油泵车斗还应保持举起位置。当车上货物卸完后,开启气源使分配阀换向,车斗将缓缓放下,调节节流阀就可调节车斗下降的速度。
5、故障处理
a.如果车斗不能上下运动,检查分配阀是否卡死,分配阀弹簧是否断裂,控制气源是否安装完好;
b.如果车斗举起后不能保压,则单向阀有可能卡死,只要更换单向阀即可;
c.如果车斗下降速度太快或太慢,只要松开节流阀锁紧螺母,调节节流阀至所需速度然后再锁紧螺母即可。
342A机能及安装尺寸
3、节流阀MG15-LQ安装尺寸(同前)
4、工作原理
当分配阀处于原始位置,而油泵又关闭时,汽车车斗处于水平位置。此时启动油泵,车斗就将举起卸载,关闭油泵车斗还应保持举起位置。当车上货物卸完后,开启气源使分配阀换向,车斗将缓缓放下,调节节流阀就可调节车斗下降的速度。
5、故障处理
a.如果车斗不能上下运动,检查分配阀是否卡死,分配阀弹簧是否断裂,控制气源是否安装完好;
b.如果车斗举起后不能保压,则单向阀有可能卡死,只要更换单向阀即可;
c.如果车斗下降速度太快或太慢,只要松开节流阀锁紧螺母,调节节流阀至所需速度然后再锁紧螺母即可。
343A机能及安装尺寸
2、节流阀MG15-LQ安装尺寸(同前)
3、工作原理
当分配阀处于原始位置,无论油泵启动与否,汽车车斗始终处于水平位置;这样可以防止单片分配阀时,由于车辆误动作而使车斗自动举起的现象发生。启动油泵、开启第一片分配阀气源,车斗就将举起卸裁,关闭油泵车斗还应保持举起位置。当车上货物卸完后,关闭第一片分配阀气源,开启第二片分配阀气源使分配阀换向,车斗将缓缓放下,调节节流阀就可调节车斗下降的速度。此阀的单向阀在两片换向阀之间。
4、故障处理
a.如果车斗不能上下运动,检查第一片分配阀是否卡死,阀弹簧是否断裂,控制气源是否安装完好;
b.如果车斗举起后不能保压,则单向阀有可能卡死,只要更换单向阀即可;
c.如果车斗举起后不能放下,检查第二片分配阀是否卡死,阀弹簧是否断裂,控制气源是否安装完好;
d.如果车斗下降速度太快或太慢,只要松开节流阀锁紧螺母,调节节流阀至所需速度然后再锁紧螺母即可。
343B机能及安装尺寸
2、节流阀MG15-LQ安装尺寸(同前)
3、结构说明
此阀只是把343A两片式阀改成了一体,而把单向阀安置在阀的表面,其工作原理和使用维修与343A没有任何差别
4、工作原理
当分配阀处于原始位置,无论油泵启动与否,汽车车斗始终处于水平位置;这样可以防止单片分配阀时,由于车辆误动作而使车斗自动举起的现象发生。启动油泵、开启第一片分配阀气源,车斗就将举起卸裁,关闭油泵车斗还应保持举起位置。当车上货物卸完后,关闭第一片分配阀气源,开启第二片分配阀气源使分配阀换向,车斗将缓缓放下,调节节流阀就可调节车斗下降的速度。
5、故障处理
a.如果车斗不能上下运动,检查第一片分配阀是否卡死,阀弹簧是否断裂,控制气源是否安装完好;
b.如果车斗举起后不能保压,则单向阀有可能卡死,只要更换单向阀即可;
c.如果车斗举起后不能放下,检查第二片分配阀是否卡死,阀弹簧是否断裂,控制气源是否安装完好;
d.如果车斗下降速度太快或太慢,只要松开节流阀锁紧螺母,调节节流阀至所需速度然后再锁紧螺母即可。
联系方式
姓名:销售员 1029(女士)
电话:
13812199898
传真:0510-82328771
地区:江苏-无锡市
地址:
无锡市会北路28-135
邮编:214000
QQ:
2355802919
0
人关注
0
人点赞
举报
评分:
分
扫一扫访问当前网页
复制链接
二维码
短信
邮件
关闭
同类了解产品
24BI1-H10B-T,24BI2-H10B-T,24BI3-H10B-T,24BO-H10B-T,24BH-H10B-T,24BY-H10B-T,24BM-H10B-T,24EI1-H10B-T,24EI2-H10B-T,24EI3-H10B-TM,24EO-H10B-T,24EH-H10B-T,24EY-H10B-T,24EM-H10B-T电磁换向阀
24GDBI1-H6B-T,24GDBI2-H6B-T,24GDBI3-H6B-T,24GDBM-H6B-T,24GDBO-H6B-T,24GDBH-H6B-T,24GDBY-H6B-T,24GDEI1-H6B-T,24GDEI2-H6B-T,24GDEI3-H6B-T,24GDEM-H6B-T,24GDEO-H6B-T,24GDEH-H6B-T,24GDEY-H6B-T液压阀
24EY*-L20H-T,24E1Y*-L20H-T,24BY*-L20H-T,24EY*-L32H-T,24E1Y*-L32H-T,24BY*-L32H-T,24EY*-B20H-T,24E1Y*-B20H-T,24BY*-B20H-T,24EY*-B32H-T,24E1Y*-B32H-T,24BY*-B32H-T,34EY*-L20H-T,34E1Y*-L20H-T,34BY*-L20H-T34EY*-L32H-T,34E1Y*-L32H-T,34BY*-L32H-T电液阀
24EO-F6B,24EO1-F6B,24EO-F6B-R,24EO1-F6B-R,24EXP-F6B,24EO-F6B-W,34EO-F6B,34EO1-F6B,34EO-F6B-W,34EO1-F6B-W,34EH-F6B,34EYX-F6B,24EO-F10B,24EO1-F10B,24EO-F10B-R,24EO1-F10B-R,24EXP-F10B,24EO-F10B-W,34EO-F10B,34EO1-F10B,34EO-F10B-W,34EO1-F10B-W液压阀
D1VW020BNJW,D1VW020BNTW,D1VW020HNJW,D1VW030BNTW,D1VW030BNJW,D1VW1CNJW,D1VW2CNJW,D1VW4CNJW,D1VW8CNJW,D1VW001CNJW,D1VW001CNTW,D1VW002CNJW,D1VW002CNTW,D1VW004CNJW,D1VW004CNTW,D1VW009CNJW,D1VW020DNJW,D3W20BNJW 648液压阀
BDG4V-3-2A-M-U,BDG4V-3-2C-M-U,BDG4V-3-6C-M-U,BDG4V-3-8C-M-U,BDG4V-5-2A-M-U,BDG4V-5-2C-M-U,BDG4V-5-6C-M-U,BDG4V-5-8C-M-U,DG4V-3-2C,DG4V-3-0C,DG4V-3-7C,DG4V-3-6C,DG4V-3-3C,DG4V-3-8C,DG4V-3-2N,DG4V-3-0A液压阀
取消
发送询价
分享好友
了解产品首页
频道列表
我要评论