返回
多路换向阀
首页
>
了解产品
>
液压元件 液压阀
>
方向控制阀
>
多路换向阀
DL8E,DL8F,多路换向阀
2014-06-09 12:57
2013
信息概况
价格:
未填
型号:
DL8E,DL8F,
发货:
3天内
发送询价
DL8E,DL8F,多路换向阀,生产厂家,价格
用途与特点
D系列多路换向阀是由多个换向阀和安全阀组合起来的液压控制系统,它具有工作压力高、结构紧凑、安全阀性能好、不易外泄、通用性好等特点。主要用于起重运输机械、工程机械、矿山机械或其它机械的液压系统中,以实现多个执行机构的集中控制。
该系列多路换向阀每联都有单向阀。现有阀芯为O型机能,定位方式有弹簧复位和钢球定位两种,油路为串联油路。
结构与原理
D系列多路换向阀主要是由进油阀、多个换向阀、回油阀三部分组成,用螺栓将它们组装在一起。
在进油阀上有压力油进口P 和回油口T。压力油进口P 和回油口T之间装有组安全阀。
换向阀由阀体和阀芯组成。换向阀体为9槽结构。回油道布置在阀体两端,以克服阀芯的外泄漏。为了防止工作腔的压力油向P腔倒流,在每一换向体内均装有单向阀,以克服工程机械上的点头现象。当液压系统需要从换向阀中引出压力油时,可拆去换向阀体上的单向阀,装上外引接头即可。阀芯机能可以按客户要求生产。
回油阀的作用是将回油引到回油口。
型号说明
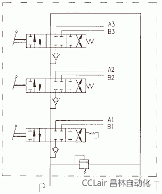
图形符号
定位、复位方式
控制方式
代号
定位复位方式
圆形符号
手动控制
T
三位弹簧复位
W
三位钢球定位
性能参数
型号
公称通径 mm
公称流量 L/min
公称压力 MPa
DL8E
8
40
16
DL8F
8
40
20
外形安装连接尺寸
注:N为换向阀片数
使用与维修
1、使用前核对多路阀压力,公称流量、阀芯机能是否适合系统要求。
2、在搬运、安装、存放时,不要撞击和损坏阀芯的外露部分。涂漆时运动部分不得有漆。
3、安装板或支架要平整。油管及阀门固定时,不得使阀体变形。
4、安装阀外操纵机构时,应保证阀芯运动灵活无卡滞现象。
5、在振动严重的机械上安装时,应采取减振措施。
6、如果在离阀很近的地方进行焊接时,应防止焊渣飞溅破坏O型密封圈及阀芯外露部份。
7、工作油液应清洁。油液的过滤精度要求30微米。推荐使用30号液压油,工作油温控制在50℃左右为好。
8、多路换向阀出厂时安全阀压力已调好。用户根据系统需要亦可进行调整,但调整压力不得超过规定值。
订货须知
1、订货时须详细写明型号规格。例如:DL8F—OT·OT—Z 一台。
2、自我厂发货之日起六个月内。用户按本说明书使用,如因质量而发生损坏不能正常工作,并有完整使用记录,我厂负责无偿修理、更换或退货。
常见故障及排除方法
故障
发生原因
排除方法
阀芯不能复位及在定位位置不能定位
1、复位弹簧变形
更换复位弹簧
2、定位弹簧变形
更换定位弹簧
3、定位套磨损
更换定位套
4、阀芯与阀体间不清洁
清洗
5、阀外操纵机构不灵
调整阀外操纵机构
6、联接螺栓拧得太紧
重新拧紧联接螺栓
外泄漏
1、换向阀体两端O型密封圈损坏
2、各阀体接触面间O型密封圈损坏
更换O型密封圈
安全阀压力不稳定或压力上不去
1、调压弹簧变形
更换调压弹簧
2、锁紧螺母松动
拧紧锁紧螺母
3、泵不好
检修泵
阀芯在中立位置时工作机构明显下沉
1、阀芯与阀体之间的间隙大
修复或更换滑阀
2、阀芯位置没有对中
使阀芯位置保持中立
联系方式
姓名:销售员 1029(女士)
电话:
13812199898
传真:0510-82328771
地区:江苏-无锡市
地址:
无锡市会北路28-135
邮编:214000
QQ:
2355802919
0
人关注
0
人点赞
举报
评分:
分
扫一扫访问当前网页
复制链接
二维码
短信
邮件
关闭
同类了解产品
P40F-OT,P40F-OW,P40F-AT,P40F-AW,P40F-YT,P40F-YW,P40E-OT,P40E-OW,P40E-AT,P40E-AW,P40E-YT,P40E-YW,P40整体式多路阀
Z50/16O12VDCG,Z50/20O12VDCG,Z50/25O12VDCG,Z50/31.5O12VDCG,Z50电磁控整体式多路阀
P40/16-OD1U,P40/16-AD1U,P40/16-YD1U,P40/20-OD1U,P40/20-AD1U,P40/20-YD1U,P40电液控多路阀
P80F-OT,P80F-OW,P80F-AT,P80F-AW,P80F-YT,P80F-YW,P80E-OT,P80E-OW,P80E-AT,P80E-AW,P80E-YT,P80E-YW,P80整体阀
P80/16O12VDCG,P80/16O24VDCG,P80/16A12VDCG,P80/16A24VDCG,P80/16Y12VDCG,P80/16Y24VDCG,P80电磁控整体阀
P80/16-OD1U,P80/16-AD1U,P80/16-YD1U,P80/20-OD1U,P80/20-AD1U,P80/20-YD1U,P80电液控整体阀
取消
发送询价
分享好友
了解产品首页
频道列表
我要评论