返回
单向/节流阀
首页
>
了解产品
>
气动器材 气动阀
>
控制元件
>
单向/节流阀
YAF3-Ea10B,YAF3-Eb10B,YAF3-Ea20B,YAF3-Eb20B,液控单向阀
2012-02-08 14:34
1149
信息概况
价格:
未填
型号:
YAF3-Ea10B,YAF3-Eb10B,YAF3-Ea20B,YAF3-Eb20B,
发货:
3天内
发送询价
YAF3-Ea10B,YAF3-Eb10B,YAF3-Ea20B,YAF3-Eb20B,液控单向阀,生产厂家,价格
途
液控单向阀允许油液从一个方面自由通过,反方向造控制压力开启单向阀使油液通过,控制压力过低或消失时,单向阀关闭,油液则不能通过。
型号说明
技术参数
型号
通径
mm
额定压力
Mpa
最高使用压力
Mpa
开启压力
Mpa
控制容积
ml
最小控制压力
MPa
重量
Kg
YAF3-Ea10B
10
16
20
0.05
3.8
5.8
2.7
YAF3-Eb10B
0.45
YAF3-Ea20B
20
16
20
0.05
6.2
9.3
4.8
YAF3-Eb20B
0.45
特性曲线
外形尺寸
型号
尺寸mm
C
D
E
F
G
H
K
L
S
h
h1
d
YAF3-E
*
10B
90
66
66.7
11.7
Φ6
48
13
122
42.9
15
6
M10
YAF3-E
*
20B
100
88
79.4
10.3
Φ6
58
14
144
60.3
15
6
M10
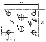
连接底板
通径 10mm(GB8100-AG-06-2-A/ISO-5781-AG-06-2-A)
通径 20mm(GB8100-AH-08-2-A/ISO-5781-AH-08-2-A)
尺寸mm
A
B
X
Y
G
F
1
F
2
F
3
F
4
X
7.1
35.7
21.4
21.4
31.8
0
42.9
42.9
0
Y
33.3
33.3
58.7
7.9
66.7
0
0
66.7
66.7
Φ
14.7
max
14.7
max
4.8
4.8
7.5
M10
M10
M10
M10
尺寸mm
A
B
X
Y
G
F
1
F
2
F
3
F
4
X
11.1
49.2
20.8
39.7
44.5
0
60.3
60.3
0
Y
39.7
39.7
73
6.4
79.4
0
0
79.4
79.4
Φ
23.7
max
23.7
max
4.8
4.8
7.5
M10
M10
M10
M10
联系方式
姓名:销售员 1029(女士)
电话:
13812199898
传真:0510-82328771
地区:江苏-无锡市
地址:
无锡市会北路28-135
邮编:214000
QQ:
2355802919
0
人关注
0
人点赞
举报
评分:
分
扫一扫访问当前网页
复制链接
二维码
短信
邮件
关闭
同类了解产品
KAB系列可控型单向阀
QLA系列单向节流阀
KA系列单向阀
叠加式单向节流阀MSB-01-X-50,MSB-02-X-50,MSB-03-X-50,MSB-04-X-50,MSB-06-X-50,
叠加式单向节流阀MSA-01-X-50,MSA-01-Y-50,MSA-02-X-50,MSA-02-Y-50,MSA-03-X-50,MSA-03-Y-50,MSA-04-X-50,MSA-06-X-50,
叠加式单向节流阀MSW-01-X-50,MSW-01-Y-50,MSW-02-X-50,MSW-02-Y-50,MSW-03-X-50,MSW-03-Y-50,MSW-04-X-50,MSW-06-X-50,
取消
发送询价
分享好友
了解产品首页
频道列表
我要评论