返回
调速阀
首页
>
了解产品
>
液压元件 液压阀
>
流量控制阀
>
调速阀
QF3-6aB,QF3-6bB,QF3-6cB,QF3-10aB,QF3-10bB,QF3-10cB,调速阀
2012-02-08 14:16
1629
信息概况
价格:
未填
型号:
QF3-6aB,QF3-6bB,QF3-6cB,QF3-10aB,QF3-10bB,QF3-10cB,
发货:
3天内
发送询价
QF3-6aB,QF3-6bB,QF3-6cB,QF3-10aB,QF3-10bB,QF3-10cB,调速阀,生产厂家,价格
用途
调速阀由节流阀和带压力补偿的减压阀串联组成,适用于负载变化大,工作速度要求稳定的调速系统中。
单向调速阀由单向阀与调速阀并联组成,油液正向通过调速阀,获得系统所需要的速度,反向通过单向阀,油液自由流过,从而使执行机构获得正反两向不同的运动速度。
型号说明
技术参数
型号
通径
mm
额定压力
Mpa
最高使用压力
Mpa
最小稳定流量
ml/min
最大流量
L/min
使用油温
℃
油液粘度
mm
2
/s
最低工作压力
Mpa
重量
Kg
QF3-
*
6
*
B
a
6
6.3
6.3
10
6.3
10~60
7~320
0.5
1.4
b
6
16
20
35
10
0.7
1.9
c
6
16
20
40
16
1.2
1.9
AQF3-
*
E6
*
B
b
6
16
20
35
10
0.7
1.9
c
6
16
20
40
16
1.2
1.9
QF3-E10B
10
16
20
50
50
0.7
5.7
AQF3-E10B
10
16
20
50
50
0.7
5.7
特性曲线
外形尺寸
注:
*
记号为10通径调速阀进出油口
6通径调阀才有P控制口
型号
尺寸
mm
C
E
H max
C
1
C
2
C
3
C
4
C
5
E
1
E
2
E
3
H
1
H
2
D
d
l
G
h
S
QF3-6
*
B
50
60
100
9.5
32.5
25
31
31.57
9.7
40.5
37
64
10.5
Φ30
M5
7
Φ3
3
6
QF3-E6
*
B
50
63
110
9.5
32.5
25
31
31.57
12.7
40.5
38
74
0
Φ28
M5
8
Φ3
3
6
AQF3-E6
*
B
50
63
110
9.5
32.5
25
31
31.57
12.7
40.5
38
74
0
Φ28
M5
8
Φ3
3
6
QF3-E10B
100
107
137
11.9
76.2
50
76.2
76.2
12.2
82.6
46.8
60
18.5
Φ40
M8
12
Φ6
0
AQF3-E10B
100
107
137
11.9
76.2
50
76.2
76.2
12.2
82.6
46.8
60
18.5
Φ40
M8
12
Φ6
0
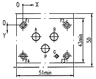
连接底板
通径 6mm(GB8901-AB-03-4-A/ISO6263-AB-03-4-B)
通径 10mm(GB8901-AK-06-2-A/ISO6263-AK-06-2-A)
尺寸mm
P
A
B
G
F
1
F
2
F
3
F
4
X
21.5
12.7
30.2
33
0
(40.5)
40.5
(0)
Y
25.9
15.5
15.5
31.75
0
(-0.75)
31.75
(31)
Φ
6.3
max
6.3
max
6.3
max
3.4
M5
M5
M5
M5
尺寸mm
A
B
G
F
1
F
2
F
3
F
4
X
54
9.5
79.4
0
76.2
76.2
0
Y
11.1
52.4
23.8
0
0
82.6
82.6
Φ
Φ14.7
max
Φ14.7
max
Φ7.5
M8
M8
M8
M8
6通径调速阀外控与内控结构使用说明
注:产品出厂为外控结构,即图中M4╳5/GB71—76螺钉保留;若需内控结构,可将M4X5/GB71-76螺钉拆去。
内控性能(不用P口)
外控性能(利用P口)
联系方式
姓名:销售员 1029(女士)
电话:
13812199898
传真:0510-82328771
地区:江苏-无锡市
地址:
无锡市会北路28-135
邮编:214000
QQ:
2355802919
0
人关注
0
人点赞
举报
评分:
分
扫一扫访问当前网页
复制链接
二维码
短信
邮件
关闭
同类了解产品
MCV-02A-,MCV-03A-,MCV-02B-,MC-02P-,MC-03P-,MC-02T-,MC-03T-,MCV-04P-,MCV-06P-,MCV-04T-,MCV-06T-, MCV-04A-,MCV-06A-,MCV-04B-,MCV-06B-,MCV-02P-,MCV-03P-,MCV-02T-,MCV-03T-,MCV-02W-,MCV-03B-,叠加式液压单向阀
MBRV-02P-A,MBRV-02A-A,MBRV-02A-B,MBRV-03P-A,MBRV-03A-A,MBRV-03B-A,MBRV-03P-B,MBRV-02B-C,MBRV-02P-H,MBRV-02A-H,MBRV-02B-H,MBRV-02B-B,MBRV-02P-C,MBRV-02A-C,MBRV-02B-A,MBRV-02P-B,MBRV系列叠加式减压阀
MSW-01-X-50,MSW-01-Y-50,MSW-02-X-50,MSW-02-Y-50, MSW-03-X-50,MSW-03-Y-50,MSW-04-X-50,MSW-06-X-50, MSA-01-X-50,MSA-01-Y-50,MSA-02-X-50,MSA-02-Y-50, MSA-03-X-50,MSA-03-Y-50,MSA-04-X-50,MSA-06-X-50, MSB-01-X-50,MSB-02-X-50,MSB-03-X-50,MSB-04-X-50, MSB-06-X-5
Q-D6B-3,AQ-D6B-6,QY1-D6B-16,AQY1-D6B-6,Q-D10B-10,AQ-D10B-16,调速阀
调速阀SC-01,SC-02,SC-03,SC-04
Northman北部精机,比例溢流调速阀EFRD-G03-160-2-6-31,EFRD-G03-160-2-5-31,EFRD-G03-250-3-6-31,EFRD-G03-250-3-5-31,EFRD-G06-160-2-6-31,EFRD-G06-160-2-5-31,EFRD-G06-250-2-5-31,EFRD-G06-250-3-6-31,EFRD-G06-250-3-5-31
取消
发送询价
分享好友
了解产品首页
频道列表
我要评论