返回
单向/节流阀
首页
>
了解产品
>
气动器材 气动阀
>
控制元件
>
单向/节流阀
LF3-E6B,ALF3-E6B,LF3-E10B,ALF3-E10B,节流阀
2012-02-08 14:07
1328
信息概况
价格:
未填
型号:
LF3-E6B,ALF3-E6B,LF3-E10B,ALF3-E10B,
发货:
3天内
发送询价
LF3-E6B,ALF3-E6B,LF3-E10B,ALF3-E10B,节流阀,生产厂家,价格
用途
节流阀利用通流截面的改变调节通流量,使执行机构获得所需的运动速度,由于节流阀结构简单,节流阀前后的压力差随负载变化而变化,从而影响速度的稳定性,故它只适用于负载变化小或速度稳定性要求不高的液压系统中。节流阀的进出油口可对调。
单向节流阀由单向阀与节流阀并联级成,油液正向通过时可控制流量,反向通过时,单向阀开启,油液迅速从单向阀通过,使执行机构在正反二向具有不同的运动速度。
型号说明
技术参数
型号
通径
mm
最大流量
L/min
额定压力
Mpa
最高工作压力
Mpa Max
使用温度
℃
油液粘度
mm
2
/s
重量
Kg
LF3-E6B
6
25
16
20
10~60
7~320
1.7
ALF3-E6B
LF3-E10B
10
100
4
ALF3-E10B
特性曲线
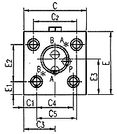
外形尺寸
型号
尺寸
mm
C
E
H
C
1
C
2
C
3
C
4
C
5
E
1
E
2
E
3
H
1
H
2
D
d
l
G
h
LF3-E6B
50
63
93.5
9.5
32.5
25
31
31.75
12.7
40.5
42.9
57
0
Φ28
M5
8
Φ3
3
ALF3-E6B
LF3-E10B
90
88
133
11.7
66.7
45
66.7
66.7
25.5
42.9
61.2
72.5
11
Φ40
M10
12
Φ6
3
ALF3-E10B
连接底板
通径 6mm(GB8100-AB-03-4-A/ISO5781-AB-03-4-A)
通径 10mm(GB8100-AG-06-2-A/ISO5781-AG-06-2-A)
尺寸mm
A
B
G
F
1
F
2
F
3
F
4
X
12.7
29.2
33
0
(40.5)
40.5
(0)
Y
15.5
15.5
31.75
0
(-0.75)
31.75
(31)
Φ
Φ6.3
max
Φ6.3
max
Φ3.4
max
M5
M5
M5
M5
尺寸mm
A
B
G
F
1
F
2
F
3
F
4
X
7.1
35.7
31.8
0
42.9
42.9
0
Y
33.3
33.3
66.7
0
0
66.7
66.7
Φ
14.7
max
14.7
max
7.5
max
M10
M10
M10
M10
联系方式
姓名:销售员 1029(女士)
电话:
13812199898
传真:0510-82328771
地区:江苏-无锡市
地址:
无锡市会北路28-135
邮编:214000
QQ:
2355802919
0
人关注
0
人点赞
举报
评分:
分
扫一扫访问当前网页
复制链接
二维码
短信
邮件
关闭
同类了解产品
KAB系列可控型单向阀
QLA系列单向节流阀
KA系列单向阀
叠加式单向节流阀MSB-01-X-50,MSB-02-X-50,MSB-03-X-50,MSB-04-X-50,MSB-06-X-50,
叠加式单向节流阀MSA-01-X-50,MSA-01-Y-50,MSA-02-X-50,MSA-02-Y-50,MSA-03-X-50,MSA-03-Y-50,MSA-04-X-50,MSA-06-X-50,
叠加式单向节流阀MSW-01-X-50,MSW-01-Y-50,MSW-02-X-50,MSW-02-Y-50,MSW-03-X-50,MSW-03-Y-50,MSW-04-X-50,MSW-06-X-50,
取消
发送询价
分享好友
了解产品首页
频道列表
我要评论