返回
减压阀
首页
>
了解产品
>
液压元件 液压阀
>
压力控制阀
>
减压阀
JF3-10B,AJF3-10B,JF3-E10B,AJF3-E10B,JF3-20B,AJF3-20B,JF3-E20B,AJF3-E20B,减压阀
2012-02-08 13:41
1165
信息概况
价格:
未填
型号:
JF3-10B,AJF3-10B,JF3-E10B,AJF3-E10B,JF3-20B,AJF3-20B,JF3-E20B,AJF3-E20B,
发货:
3天内
发送询价
JF3-10B,AJF3-10B,JF3-E10B,AJF3-E10B,JF3-20B,AJF3-20B,JF3-E20B,AJF3-E20B,减压阀,生产厂家,价格
用途
减压阀能将较高的进口压力降为系统所需要的压力。本系列减少阀属定值减压阀,即不管一次油路压力如何变化,它仍能保持二次油路的压力基本恒定。
单向减压阀由减压阀与单向阀并联组成,当油液反向通过时,单向阀开启,油液经单向阀自由通过。
型号说明
技术参数
型号
Model
通径mm
Diameter
压力等级
Pressure range
额定流量L/min
Nominal flow
最大流量L/min
Max flow
调压范围Mpa
Adjusting Pressure
重量
Kg
weight
JF3-10B
10
6.3
63
80
0.5~6.3
2.85
AJF3-10B
JF3-E10B
16
4~16
AJF3-E10B
JF3-20B
20
6.3
120
200
0.5~6.3
4.5
AJF3-20B
JF3-E20B
16
4~16
AJF3-E20B
特性曲线
外形尺寸
型号
尺寸
mm
A
B
C
D
E
F
G
H
h
I
J
L
l
JF3-
*
10B
88
68
66.7
42.9
12.5
10.7
37
113
60
52
11
≤125
15
JF3-
*
20B
100
86
79.4
60.3
12.8
10.3
17
130
61
52
11
≤135
14
AJF3-
*
10B
88
68
66.7
42.9
12.5
10.7
37
113
70
52
11
≤125
15
AJF3-
*
20B
100
86
79.4
60.3
12.8
10.3
17
130
80
52
11
≤135
14
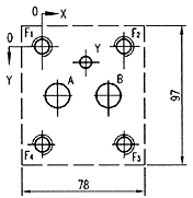
连接底板
通径10mm(GB8100-AG-06-2-A/ISO-5781-AG-06-2-A)
通径20mm(GB8100-AH-08-2-A/ISO-5781-AH-08-2-A)
尺寸mm
A
B
Y
F
1
F
2
F
3
F
4
X
7.1
35.7
21.4
0
42.9
42.9
0
Y
33.3
33.3
7.9
0
0
66.7
66.7
Φ
14.7
max
14.7
max
4.8
max
M10
M10
M10
M10
尺寸mm
A
B
Y
F
1
F
2
F
3
F
4
X
11.1
49.2
39.7
0
60.3
60.3
0
Y
39.7
39.7
6.4
0
0
79.4
79.4
Φ
23.4
max
23.4
max
6.3
max
M10
M10
M10
M10
联系方式
姓名:销售员 1029(女士)
电话:
13812199898
传真:0510-82328771
地区:江苏-无锡市
地址:
无锡市会北路28-135
邮编:214000
QQ:
2355802919
0
人关注
0
人点赞
举报
评分:
分
扫一扫访问当前网页
复制链接
二维码
短信
邮件
关闭
同类了解产品
G-03-B-22,RG-03-C-22,RG-03-H-22,RG-06-B-22,RG-06-C-22,RG-06-H-22,RG-10-..-22,RCG-03-B-22,RCG-03-C-22,RCG-03-H-22,RCG-06-B-22,RCG-06-C-22,RCG-06-H-22,RCG-10-..-22,RT-03-B-22,RT-03-C-22,RT-03-H-22,RT-06-B-22,RT-06-C-22,RT-06-H-22,RT-10-..-22单向减压阀
MRP-01-C-30,MRA-01-C-30,MRB-01-C-30,MRB-06-C-30,MRP-06-H-30,MRA-06-H-30,MRB-06-H-30,MRA-04-H-10,MRB-04-H-10,MRP-06-C-30,MRA-06-C-30,MRP-04-C-10,MRA-04-C-10,MRB-04-C-10,MRP-04-H-10,MRP-01-H-30,MRB-03-C-30,MRP-03-H-30,MRA-03-H-30,MRB-03-H-30,油研叠加式减压阀
LKF-40,LKF-60,LKF-114,LKF-40-3/8NPT,LKF-60-1/2NPT,LKF-114-3/4NPT,LKF-60压力补偿可变流量控制阀
液压叠加式减压阀DY-02A,DY-02B,DY-02P,DY-02W,DY-03A,DY-03B,DY-03P,DY-03W,
液压叠加式减压阀SRV-02A,SRV-02B,SRV-02P,SRV-02W,SRV-03A,SRV-03B,SRV-03P,SRV-03W,
液压叠加式减压阀MRF-02A,MRF-02B,MRF-02P,MRF-02W,MRF-03A,MRF-03B,MRF-03P,MRF-03W,MRF-04A,MRF-04B,MRF-04P,MRF-06A,MRF-06B,
取消
发送询价
分享好友
了解产品首页
频道列表
我要评论