YF3-10L,YF3-10B,YF3-20L,YF3-20B,YF3-E10L,YF3-E10B,YF3-E20L,YF3-E20B,溢流阀,生产厂家,价格
| 用途 |
| |
| 溢流阀是压力控制元件,主要功能是维持液压系统的压力恒定或防止系统压力超载,起安全阀作用。 |
 |
 |
|
| |
|
| |
 |
| 型号 |
通径mmr |
额定流量L/min |
最大 流量
L/min |
调压范围Mpa |
卸荷压力Mpa |
重量Kg |
| YF3-10L |
10 |
63 |
100 |
0.5~6.3 |
0.45 |
1.6 |
| YF3-E10L |
10 |
63 |
100 |
0.5~16 |
1.6 |
| YF3-10B-* |
10 |
63 |
100 |
0.5~6.3 |
1.9 |
| YF3-E10B-* |
10 |
63 |
100 |
0.5~16 |
1.9 |
| YF3-20B-* |
20 |
120 |
200 |
0.5~6.3 |
3.7 |
| YF3-E20B-* |
20 |
120 |
200 |
0.5~16 |
3.7 |
|
| |
|
| |
 |
| |
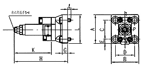
外形尺寸 |
| |
 |
| |
 |
 |
| |
| 型号 |
尺寸mm |
| H |
L |
A |
B |
C |
D |
E |
l |
F |
G |
K |
| YF3-*108 |
84 |
≤126 |
77 |
77 |
53.8 |
53.8 |
11.6 |
14 |
80 |
17 |
30 |
| YF3-*208 |
102 |
≤126 |
93 |
100 |
66.7 |
70 |
11.5 |
21 |
119 |
25 |
30 |
|
| 型号 |
尺寸mm |
| H |
L |
A |
B |
C |
D |
E |
G |
l |
K |
| YF3-*108-C |
154 |
80 |
77 |
77 |
53.8 |
53.8 |
11.6 |
17 |
14 |
100 |
| YF3-*208-C |
202 |
119 |
93 |
100 |
66.7 |
70 |
11.6 |
25 |
21 |
100 |
|
| |
连接底板 |
| |
 |
 |
| |
| |
尺寸mm |
| P |
T |
X |
G |
F1 |
F2 |
F3 |
F4 |
| X |
22.1 |
47.5 |
0 |
22.1 |
0 |
53.8 |
53.8 |
0 |
| Y |
26.9 |
26.9 |
26.9 |
53.8 |
0 |
0 |
53.8 |
53.8 |
| Φ |
14.7
max |
14.7
max |
4.8
max |
7.5 |
M12 |
M12 |
M12 |
M12 |
|
| |
尺寸mm |
| P |
T |
X |
G |
F1 |
F2 |
F3 |
F4 |
| X |
11.1 |
55.6 |
-23.8 |
33.4 |
0 |
66.7 |
66.7 |
0 |
| Y |
35 |
35 |
35 |
70 |
0 |
0 |
70 |
70 |
| Φ |
23.4
max |
23.4
max |
6.3
max |
7.5 |
M16 |
M16 |
M16 |
M16 |
|