返回
隔爆换向阀
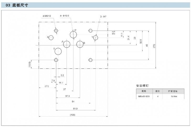
GDFWH-10-2B2B,GDFWH-10-2B3B,GDFWH-10-2B4B,GDFWH-10-2B6B,隔爆电磁单向阀
2023-09-26 10:26905
信息概况
  • 价格:未填
  • 型号:GDFWH-10-2B2B,GDFWH-10-2B3B,GDFWH-10-2B4B,GDFWH-10-2B6B,
  • 发货:3天内
联系方式
  • 举报
关闭
同类了解产品