返回
隔爆换向阀
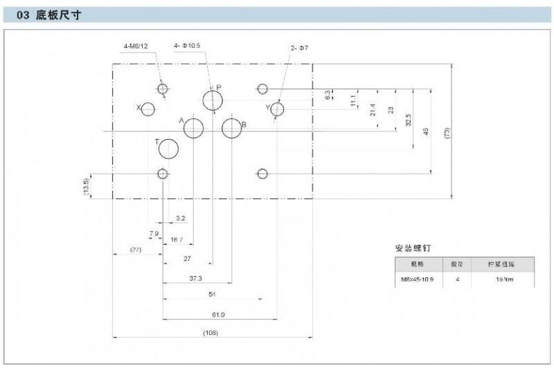
GDFWH-10-3C2,GDFWH-10-3C3,GDFWH-10-3C4,GDFWH-10-3C5,隔爆电磁单向阀
2023-09-26 10:351052
信息概况
  • 价格:未填
  • 型号:GDFWH-10-3C2,GDFWH-10-3C3,GDFWH-10-3C4,GDFWH-10-3C5,
  • 发货:3天内
联系方式
  • 举报
关闭
同类了解产品