返回
隔爆换向阀
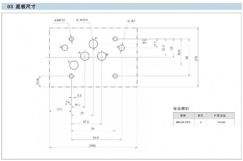
GDFWH-06-2B25B,GDFWH-06-2B29B,GDFWH-06-2B2BL,GDFWH-06-2B3BL,隔爆电磁单向阀
2023-09-26 10:481358
信息概况
  • 价格:未填
  • 型号:GDFWH-06-2B25B,GDFWH-06-2B29B,GDFWH-06-2B2BL,GDFWH-06-2B3BL,
  • 发货:3天内
联系方式
  • 举报
关闭
同类了解产品