GDFWH-06-2B2B,GDFWH-06-2B3B,GDFWH-06-2B4B,GDFWH-06-2B6B,隔爆电磁单向阀 ,生产厂家,价格
一、产品描述:
本阀是隔爆型电磁单向阀,是在液控单向阀控制油路上串联一个隔爆电磁换向阀而构成的电液控制单向阀。它有反向截止功能,由电信号操作控制油路通断,使液流正向导通或截止。
*交流供电,电磁铁内装有整流电路板
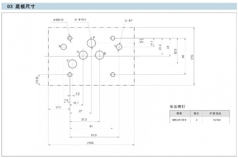
二、技术参数:
| 规格 | 06 | 10 |
| 最高工作压力 (MPa) | 31.5 |
| 最大流量 (L/min) | 220 | 430 |
| 工作介质 | 矿物质液压油;磷酸脂 |
| 介质油温范围 (℃) | -20~70 |
| 介质粘度范围 (mm2/s) | 2.8~380 |
| 开启压力 (MPa) | a:0.05 b:0.4 |
| 工作电压 (V) | 直流 | 24 |
| *交流 | 127, 220 |
| 防护等级 | IP55 |


.jpg)







