返回
隔爆换向阀
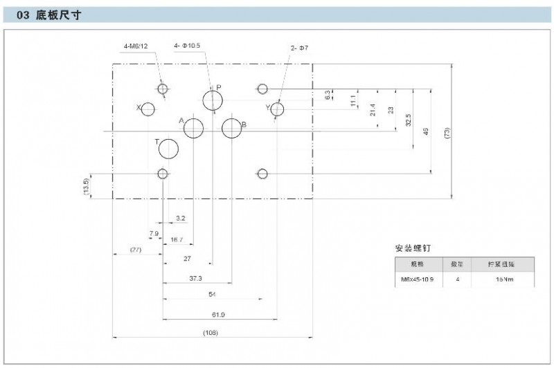
GDFWH-04-2B7B,GDFWH-04-2B9B,GDFWH-04-2B11B,GDFWH-04-2B12B,隔爆电磁单向阀
2023-09-26 10:30986
信息概况
  • 价格:未填
  • 型号:GDFWH-04-2B7B,GDFWH-04-2B9B,GDFWH-04-2B11B,GDFWH-04-2B12B,
  • 发货:3天内
联系方式
  • 举报
关闭
同类了解产品