返回
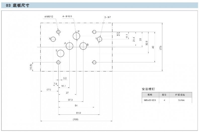
隔爆换向阀
GDFWH-04-3C11,GDFWH-04-3C12,GDFWH-04-3C25,GDFWH-04-3C29,隔爆电磁单向阀
2023-09-26 10:27880
信息概况
  • 价格:未填
  • 型号:GDFWH-04-3C11,GDFWH-04-3C12,GDFWH-04-3C25,GDFWH-04-3C29,
  • 发货:3天内
联系方式
  • 举报
关闭
同类了解产品