GDFWH-03-2B7B,GDFWH-03-2B9B,GDFWH-03-2B11B,GDFWH-03-2B12B,隔爆电液换向阀 ,生产厂家,价格
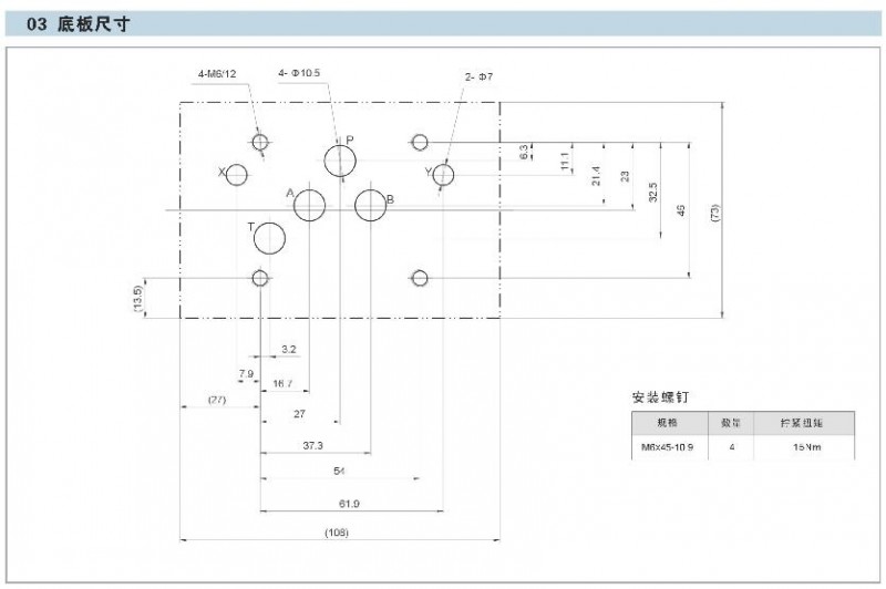
产品描述: 隔爆型电磁换向阀是由隔爆电磁铁操纵的直动式换向滑阀,主要用于液压系统中液流的通断和流动方向的改变,根据不同需要可提供各种滑阀机能。隔爆电磁铁采用直流或交流并于阀体螺纹连接,保证了阀体二端面的密封性能。 隔爆型电液向阀是隔爆电磁阀作为先导控制的滑阀式换向阀,用于控制液流的通断和流动的方向。技术参数