1.25PCY14,2.5PCY14,5PCY14,10PCY14,25PCY14,32PGY14,40PGY14,63PGY14,80PGY14,轴向柱塞泵
1.25PCY14-1B,2.5PCY14-1B,5PCY14-1B,CCLAIR,10PCY14-1B,13PCY14-1B,16PCY14-1B,25PCY14-1B,32PCY14-1B,
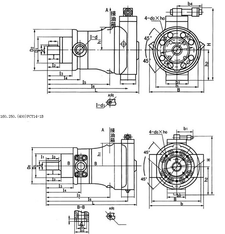
40PCY14-1B,63PCY14-1B,80PCY14-1B,100PCY14-1B,160PCY14-1B,250PCY14-1B,400PCY14-1B,
1.25PGY14-1B,2.5PGY14-1B,5PGY14-1B,10PGY14-1B,13PGY14-1B,16PGY14-1B,25PGY14-1B,32PGY14-1B,
40PGY14-1B,63PGY14-1B,80PGY14-1B,100PGY14-1B,160PGY14-1B,250PGY14-1B,400PGY14-1B,100PGY14,
一、概论
本系列轴向柱塞泵将具有31.5MPa压力的纯净的液压油输入到各种油压机、液动机等液压系统中,以产生巨大的工作动力。
同时该油泵可以作为液压马达使用。根据需要,本油泵有多种变量形式。本油泵,油马达广泛用于船舶、航空、矿山、冶金、压铸、锻造、机床的各类机械中,其特点是体积小、效率高、寿命长、设计先进、结构紧凑、维护方便。
二、型号说明

示例:63SCY14-1B
表示:排量为63毫升/转,压力为31.5MPa的手动变量的缸体旋转的轴向柱塞油泵。
(即1000r/min时公称流量为63L/min)
三、油泵系列规格(见表1.表2)
表1 CY14-1B、CM14-1B轴向柱塞泵(马达)系列参数
|
公称排量
|
1.25
|
2.5
|
5
|
10
|
2.5
|
|
63
|
160
|
250
|
|
额定压力(MPa)
|
31.5
|
|
理论(空载)排量(ml/r)
|
1.74
|
3.49
|
5.5
|
10.9
|
26.9
|
|
67.8
|
175.6
|
253.8
|
|
1000r/min的公称流量(l/min)
|
1.25
|
2.5
|
5
|
10
|
25
|
40
|
63
|
160
|
250
|
|
公称转速(r/min)
|
1500
|
1500
|
1500
|
1500
|
1500
|
|
1500
|
1000
|
1000
|
|
最高转速(r/min)
|
|
|
最大理论扭矩(Nm)
|
8.7
|
17.5
|
27.4
|
54.6
|
134.9
|
|
339.9
|
880.3
|
1272.4
|
|
1000r/min的最大理论功率(KW)
|
0.9
|
1.8
|
2.9
|
5.7
|
14.1
|
20.7
|
35.6
|
92.2
|
133.2
|
|
变量
形式
|
CCY14-1B
|
|
|
|
0
|
0
|
|
0
|
0
|
0
|
|
DCY14-1B
|
|
|
|
√
|
√
|
√
|
√
|
√
|
√
|
|
YCY14-1B
|
|
|
|
√
|
√
|
|
√
|
√
|
√
|
|
SCY14-1B
|
|
|
|
√
|
√
|
√
|
√
|
√
|
√
|
|
MCY14-1B
|
|
|
|
√
|
√
|
|
√
|
√
|
√
|
|
PCY14-1B
|
|
|
|
√
|
√
|
√
|
√
|
√
|
√
|
|
LCY14-1B
|
|
|
|
0
|
0
|
|
0
|
0
|
0
|
|
ZCY14-1B
|
|
|
|
0
|
0
|
0
|
0
|
0
|
0
|
|
MYCY14-1B
|
|
|
|
√
|
√
|
|
√
|
√
|
√
|
|
BCY14-1B
|
|
|
|
√
|
√
|
√
|
√
|
√
|
√
|
|
| ※注:经技术洽谈后订货,有“0”者表示油流可以换向,有√者表示油流不可换向,空白者表示无该品种。 |
|
表2 GY14-1B(GM14-1B)轴向柱塞泵(马达)系列参数
|
|
公称排量
|
16
|
32
|
80
|
400
|
|
额定压力(MPa)
|
25
|
|
理论(空载)排量(ml/r)
|
17.0
|
34.1
|
87.6
|
365.5
|
|
1000r/min的公称流量(l/min)
|
16
|
32
|
80
|
400
|
|
公称转速(r/min)
|
1500
|
1500
|
1500
|
1000
|
|
最高转速(r/min)
|
特定
|
|
最大理论扭矩(Nm)
|
67.6
|
135.5
|
348.2
|
1452.7
|
|
1000r/min的最大理论功率(KW)
|
7.4
|
14.8
|
37
|
169.2
|
|
变量
形式
|
CGY14-1B
|
0
|
0
|
0
|
0
|
|
YGY14-1B
|
√
|
√
|
√
|
√
|
|
DGY14-1B
|
√
|
√
|
√
|
√
|
|
SGY14-1B
|
√
|
√
|
√
|
√
|
|
MGY14-1B
|
√
|
√
|
√
|
√
|
|
PGY14-1B
|
√
|
√
|
√
|
√
|
|
LGY14-1B
|
√
|
√
|
√
|
√
|
|
ZGY14-1B
|
0
|
0
|
0
|
0
|
|
BGY14-1B
|
√
|
√
|
√
|
√
|
|
MYGY14-1B
|
√
|
√
|
√
|
√
|
|
结构原理简述
这种变量型式的泵,输出压力小于调定恒压力时,全排量输出压力油,即定量输出,在输出油液的压力达到调定压力时,就自动地调节泵流量,以保持该恒压力,满足系统的要求。泵的输出恒压值,根据需要,在调压范围内可以无级调定。泵的结构见上图,该结构将输出压力油同时通至变量活塞下腔和恒压阀的控制油入口,当输出压力小于调定恒压力时,作用在恒压阀芯上的油压推力小于调定弹簧力,恒压阀处于开启状态,压力油进入变量活塞上腔,变量活塞压在最低位置,泵全排量输出压力油:当泵在调定压力工作时,作用在恒压阀芯上的油压推力等于调定弹簧力,恒压阀的进排油口同时处于开启状态,使变量活塞上下腔的油压推力相等,变量活塞平衡在某一位置工作,若液压阻尼(负载)加大,油压瞬时升高,恒压阀排油口开大、进油口关小,变量活塞上腔比较下腔压力降低、变量活塞向上移动,泵的流量减小,直至压力下降到调定恒压力,这时变量活塞在新的平衡位置工作。反之,若液压阻尼(负载)减小,油压瞬时下降,恒压阀进油口开大,排油口关小,变量活塞上腔比较下腔油压升高,变量活塞向下移动,泵的流量增大,直至压力上升至调定恒压力。
结构图

|
型号
|
进口
|
出口
|
回油口
|
|
10PCY14-1B
|
22×16
|
18×13
|
10×8
|
|
25(32)PCY14-1B
|
34×24
|
28×20
|
10×8
|
|
40PCY14-1B
|
42×30
|
34×24
|
12×10
|
|
63(80)PCY14-1B
|
50×38
|
42×30
|
12×10
|
|
160PCY14-1B
|
63×46
|
50×38
|
18×15
|
|
250PCY14-1B
|
75×55
|
63×46
|
18×15
|
|
400PGY14-1B
|
90×66
|
75×55
|
22×18
|
|
| |
|
型号
|
B
|
b
|
b0
(N9)
|
b1
|
b2
|
b3
|
b4
|
D0
|
D1
(f9)
|
D2
|
D3
|
d
(h6)
|
d1
|
d2
|
d3
|
|
10PCY14-1B
|
180
|
142
|
8
|
50
|
88
|
|
110
|
100
|
75
|
125
|
150
|
25
|
M22×1.5
|
|
M14×1.5
|
|
25(32)PCY14-1B
|
191
|
172
|
8
|
66
|
100
|
|
110
|
125
|
100
|
150
|
170
|
30
|
M33×2
|
|
M14×1.5
|
|
40PCY14-1B
|
191
|
172
|
10
|
66
|
100
|
|
110
|
135
|
100
|
150
|
170
|
32
|
M39×2
|
|
M18×1.5
|
|
63(80)PCY14-1B
|
258
|
200
|
12
|
74
|
104
|
|
110
|
155
|
120
|
190
|
225
|
40
|
M42×2
|
|
M18×1.5
|
|
160PCY14-1B
|
322
|
340
|
16
|
100
|
120
|
90
|
110
|
198
|
150
|
240
|
300
|
55
|
50
|
64
|
M22×1.5
|
|
250PCY14-1B
|
385
|
420
|
18
|
100
|
140
|
110
|
110
|
230
|
180
|
280
|
360
|
60
|
55
|
76
|
M22×1.5
|
|
400PGY14-1B
|
385
|
420
|
18
|
100
|
140
|
110
|
110
|
230
|
180
|
280
|
360
|
60
|
65
|
76
|
M22×1.5
|
|
| |
|
型号
|
H
|
h1
|
h2
|
h3
|
L
|
I
|
I0
|
I1
|
I2
|
I3
|
I4
|
I5
|
I6
|
t
|
d0×h0
|
|
10PCY14-1B
|
255
|
71
|
101
|
|
295
|
40
|
30
|
4
|
41
|
86
|
109
|
194
|
258
|
28
|
M10×25深
|
|
25(32)PCY14-1B
|
280
|
83
|
120
|
|
362
|
52
|
45
|
4
|
54
|
104
|
134
|
246
|
317
|
32.5
|
M10×25深
|
|
40PCY14-1B
|
280
|
83
|
120
|
|
362
|
52
|
45
|
4
|
54
|
104
|
134
|
246
|
317
|
35
|
M10×25深
|
|
63(80)PCY14-1B
|
329
|
108
|
140
|
|
440
|
60
|
50
|
4
|
62
|
122
|
157
|
300
|
389
|
42.8
|
M12×25深
|
|
160PCY14-1B
|
396
|
141
|
173
|
25
|
595
|
106
|
100
|
4
|
110
|
180
|
230
|
411
|
533
|
59
|
M16×35深
|
|
250PCY14-1B
|
465
|
170
|
210
|
25
|
691
|
110
|
100
|
5
|
112
|
212
|
272
|
492
|
629
|
63.9
|
M20×45深
|
|
400PGY14-1B
|
465
|
170
|
210
|
25
|
701
|
110
|
100
|
5
|
112
|
212
|
277
|
502
|
629
|
63.9
|
M20×45深
|
|