一、概论
本系列轴向柱塞泵将具有31.5MPa压力的纯净的液压油输入到各种油压机、液动机等液压系统中,以产生巨大的工作动力。
同时该油泵可以作为液压马达使用。根据需要,本油泵有多种变量形式。本油泵,油马达广泛用于船舶、航空、矿山、冶金、压铸、锻造、机床的各类机械中,其特点是体积小、效率高、寿命长、设计先进、结构紧凑、维护方便。
二、型号说明

示例:63SCY14-1B
表示:排量为63毫升/转,压力为31.5MPa的手动变量的缸体旋转的轴向柱塞油泵。
(即1000r/min时公称流量为63L/min)
三、油泵系列规格(见表1.表2)
表1 CY14-1B、CM14-1B轴向柱塞泵(马达)系列参数
|
|||||||||||||||||||||||||||||||||||||||||||||||||||||||||||||||||||||||||||||||||||||||||||||||||||||||||||||||||||||||||||||||||||||||||||||||||||||||||||||||||||||||||||||||||||||||||||||
| ※注:经技术洽谈后订货,有“0”者表示油流可以换向,有√者表示油流不可换向,空白者表示无该品种。 | |||||||||||||||||||||||||||||||||||||||||||||||||||||||||||||||||||||||||||||||||||||||||||||||||||||||||||||||||||||||||||||||||||||||||||||||||||||||||||||||||||||||||||||||||||||||||||||
|
表2 GY14-1B(GM14-1B)轴向柱塞泵(马达)系列参数
|
|||||||||||||||||||||||||||||||||||||||||||||||||||||||||||||||||||||||||||||||||||||||||||||||||||||||||||||||||||||||||||||||||||||||||||||||||||||||||||||||||||||||||||||||||||||||||||||
|
|||||||||||||||||||||||||||||||||||||||||||||||||||||||||||||||||||||||||||||||||||||||||||||||||||||||||||||||||||||||||||||||||||||||||||||||||||||||||||||||||||||||||||||||||||||||||||||

|
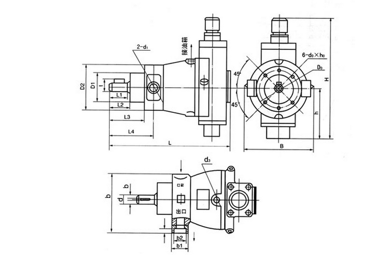
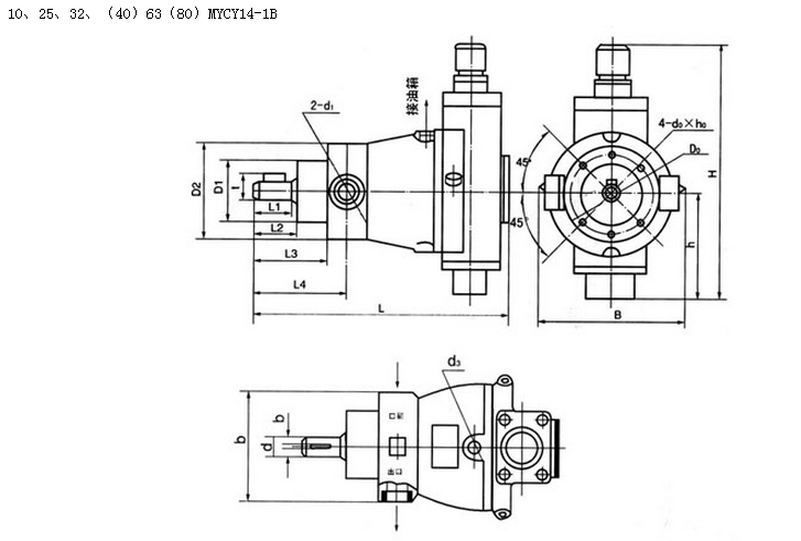
泵的型号
|
进口
|
出口
|
|
10MYCY14-1B
|
22×16
|
18×13
|
|
25.30MYCY14-1B
|
34×24
|
28×20
|
|
40MYCY14-1B
|
42×30
|
34×24
|
|
63MYCY14-1B
|
50×38
|
42×30
|

|
||||||||||||||||||||||||||||||||||||||||||||||||||||||||||||||||||||||||||||||||||||||||||||||||||||||||||||||||||||||||||||||||||
|
||||||||||||||||||||||||||||||||||||||||||||||||||||||||||||||||||||||||||||||||||||||||||||||||||||||||||||||||||||||||||||||||||
