返回
电磁离合器
首页
>
了解产品
>
制动器 离合器
>
离合器
>
电磁离合器
DLD2-4,DLD2-10,DLD2-20,DLD2-40,DLD2-80,DLD2-160,DLD2-250,单片电磁离合器
2014-03-31 14:10
1415
信息概况
价格:
未填
型号:
DLD2-4,DLD2-10,DLD2-20,DLD2-40,DLD2-80,DLD2-160,DLD2-250,
发货:
3天内
发送询价
DLD2-4,DLD2-10,DLD2-20,DLD2-40,DLD2-80,DLD2-160,DLD2-250,
单片电磁离合器
性能参数规格型号
DLD2-4
DLD2-10
DLD2-20
DLD2-40
DLD2-50
DLD2-80
DLD2-160
DLD2-250
磨擦参数(N.m)
静
4.4
11
22
45
55
90
175
275
动
4
10
20
40
50
80
160
250
激磁电压u(DCV)
24
24
24
24
24
24
24
24
线圈消耗功率20℃(W)
11
15
20
25
32
35
45
55
允许最高转速(R/Min)
8000
6000
5000
4000
3000
3000
2000
2000
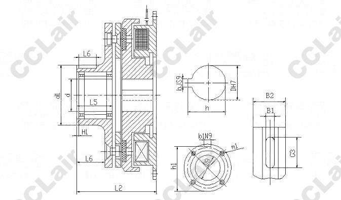
尺寸参数规格型号
DLD2-4
DLD2-10
DLD2-20
DLD2-40
DLD2-50
DLD2-80
DLD2-160
DLD3-250
D1
80
100
125
150
158
190
230
280
D2
72
90
112
137
147.5
175
215
260
D3
35
42
52
62
62
80
100
120
D4
34
41
51
61
61
79.5
100
120
D5
46
60
76
95
101
120
158
185.5
D6
67
85
105
133
145
169
213
253
D7
26
31
41
49
65
65
83
100
D
15
15
20
25
25
30
45
55
h
17.3
17.3
22.8
28.3
43.3
33.3
48.8
59.3
b
5
5
6
8
8
8
14
16
d
15
15
20
25
25
30
45
55
d1
38
45
55
64
64
75
100
110
h1
35
42
51.5
60
60
71
94.5
104
b1
5
5
6
8
8
8
14
16
L
28
31
36
40.5
45
46.5
55.5
62.5
L1
43.5
51
61
70.5
75
84.5
97.5
112.5
L2
51.5
60
71
86.5
93
103.5
124.5
139.5
L3
22
24
27
30
32
34
40
45
L4
15
20
25
30
30
38
42
50
L5
23.5
29
35
46
48
57
69
77
L6
14
15
20
30
30
35
45
50
L7
12
16
20
24
29
31
33
38
L8
20
25
30
40
40
50
60
65
H
3.5
4.3
5
5.5
5.5
6
7
8
H1
2
2
3
3
3
3
4
6
B
1.7
1.7
2.2
2.2
2.2
2.7
2.7
3.2
P
6
8
10
12
12
15
16
18
m
M4
M5
M5
M6
M6
M8
M8
M10
m1
3-M4深6
4-M4深6
4-M4深8
4-M4深8
6-M5深10
6-M5深10
6-M6深12
6-M6深12
V1
3-φ6.3
3-φ8
3-φ10.5
3-φ12
3-φ12
3-φ15
3-φ20
3-φ20
V2
3-φ3.1
3-φ4.1
3-φ5.1
3-φ6.1
3-φ6.1
3-φ8.1
3-φ10.2
3-φ10.2
V3
3-φ6
3-φ7.5
3-φ9
3-φ11
3-φ11
3-φ14
3-φ18.5
3-φ18.5
X
1.5
2.8
3.8
5
5
6
8
8
Y
5
6
7
7
7
9.5
9.5
11
δ
0.2
0.2
0.3
0.3
0.5
0.3
0.5
0.5
DLD2-B型
联系方式
姓名:制动器(先生)
电话:
13812199898
传真:0510-82328771
地区:江苏-无锡市
地址:
无锡市会北路28-135
邮编:214000
QQ:
2355802921
0
人关注
0
人点赞
举报
评分:
分
扫一扫访问当前网页
复制链接
二维码
短信
邮件
关闭
同类了解产品
CDD0S6AA,CDD1S5AA,CDD2S5AA,CDD005AA,CDD010AA,CDD020AA,CDD040AA双电磁离合器
YS-C-0.6,YS-C-1.2,YS-C-2.5,YS-C-5,YS-C-10,YS-C-20,YS-C-40,干式单板电磁离合器
YS-C1-0.5,YS-C1-1.2,YS-C1-2.5,YS-C1-5,YS-C1-10,YS-C1-20,干式单板标准超薄型电磁离合器
YS-CS-0.6,YS-CS-1.2,YS-CS-2.5,YS-CS-5,YS-CS-10,YS-CS-20,YS-CS-40,内轴承式电磁离合器
YS-F-0.6,YS-F-1.2,YS-F-2.5,YS-F-5,YS-F-10,YS-F-20,YS-F-40,电磁离合、制动器组合
YS-E1-0.6,YS-E1-1.2,YS-E1-2.5,YS-E1-5,YS-E1-10,YS-E1-20,YS-E1-40,电磁双离合组合-皮带轮型
取消
发送询价
分享好友
了解产品首页
频道列表
我要评论