简单介绍
RCF25A1-10,RCF40A1-10,RCF50A1-10,RCF63A1-10,RCF80A1-10,RCF100A1-10,充液阀
RCF25A1-10,RCF40A1-10,RCF50A1-10,RCF63A1-10,RCF80A1-10,RCF100A1-10,充液阀
的详细介绍
RCF25A1-10,RCF40A1-10,RCF50A1-10,RCF63A1-10,RCF80A1-10,RCF100A1-10,充液阀,生产厂家,价格
1、简介
本系列充液阀是在引进、消化德国力士乐公司产品的基础上,结合国内的工艺特点,开发的新液压产品,该产品属国家“八五”基础件攻关项目,替代进口产品,具有外形美观和抗锈蚀等特点。
RCF系列充液阀是一种液控单向阀,一个方向止流,另一个方向自由流通(A到B)先导动作是由油口X供应的控制阀芯用液压实现的,由此直接打开主阀(无泄压特性)对于有减压特性阀,首先导阀打开,随后主阀才打开,开启和关闭的时间可由安装在先导油路上的单向节流阀调整(该阀由用户设计安装)。
2、型号说明

3、技术数据 |
油口
|
A
|
B
|
X
|
工作压力(MPa)
|
1.6
|
31.5
|
31.5
|
开启压力(MPa)
|
0.02
|
工作介质
|
矿物油型液压油
|
油温范围
|
-30℃~+80℃
|
粘度范围
|
2.8~380 CST
|
|
4、流量(L/min)与流速(m/s)关系 |
V/ms
|
25m
|
40mm
|
50mm
|
63mm
|
80mm
|
100mm
|
125mm
|
150mm
|
200mm
|
250mm
|
0.5
|
24
|
38
|
59
|
93
|
152
|
235
|
368
|
530
|
950
|
1475
|
1
|
48
|
76
|
118
|
186
|
304
|
470
|
736
|
1060
|
1900
|
2950
|
1.5
|
72
|
114
|
177
|
279
|
456
|
706
|
104
|
1590
|
2850
|
4425
|
2
|
96
|
152
|
236
|
372
|
608
|
942
|
1472
|
2120
|
3800
|
5900
|
2.5
|
120
|
190
|
295
|
465
|
760
|
1178
|
1840
|
2650
|
4750
|
7375
|
3
|
144
|
228
|
354
|
508
|
912
|
1413
|
2208
|
3180
|
5700
|
8850
|
3.5
|
168
|
266
|
413
|
651
|
1064
|
1649
|
2576
|
3710
|
6650
|
10325
|
4
|
192
|
304
|
472
|
744
|
1216
|
1884
|
2944
|
4240
|
7600
|
11800
|
|
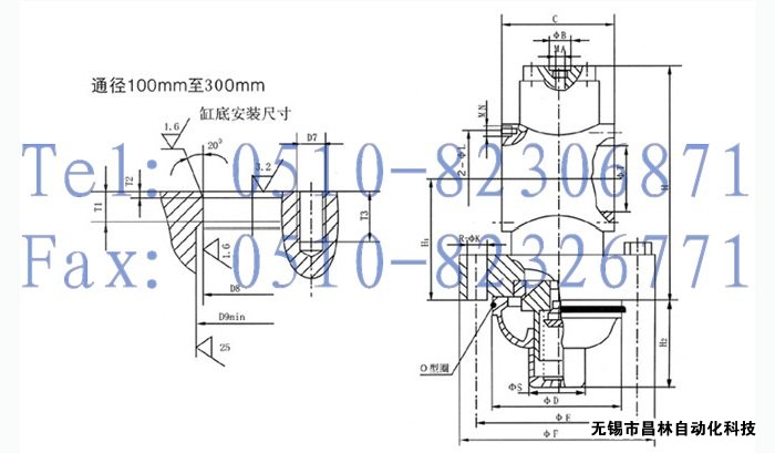
5、外形及安装尺寸 |

规格
|
重量
|
阀固定螺钉
|
B1
|
B2
|
B3
|
D2
|
D3
|
D4
|
D5
|
D6
|
D7
|
25A1
|
9.3kg
|
M16X105
|
55
|
35
|
95
|
Φ30
|
M14X1.5
|
M10
|
Φ25
|
M16
|
60H7
|
40A1
|
11kg
|
M16X130
|
70
|
43
|
100
|
Φ30
|
M14X1.5
|
M12
|
Φ40
|
M16
|
62H7
|
50A1
|
18kg
|
M20X150
|
103
|
51
|
120
|
Φ30
|
M14X1.5
|
M12
|
Φ50
|
M20
|
80H7
|
63A1
|
32kg
|
M24X180
|
115
|
62
|
145
|
Φ30
|
M14X1.5
|
M16
|
Φ63
|
M24
|
95H7
|
80A1
|
53kg
|
M30X200
|
115
|
62
|
180
|
Φ30
|
M14X1.5
|
M16
|
Φ76
|
M30
|
115H7
|
100B1
|
65kg
|
M30X220
|
140
|
78
|
200
|
Φ35
|
M18X1.5
|
M16
|
Φ100
|
M30
|
150H7
|
|
规格
|
D8
|
H1
|
H2
|
H3
|
H4
|
H5
|
H6
|
H7
|
L1
|
L2
|
L3
|
T1
|
T2
|
T3
|
0型圈
|
25A1
|
65
|
118
|
80
|
40
|
-
|
-
|
57
|
50
|
70
|
62.5
|
47.5
|
20
|
3
|
25
|
56x2.65
|
40A1
|
66
|
131
|
103
|
53
|
26
|
10
|
30.2
|
78
|
75
|
65
|
50
|
20
|
3
|
30
|
62x3.1
|
50A1
|
84
|
159
|
113
|
58
|
32.5
|
10.5
|
39
|
89
|
90
|
75
|
60
|
25
|
4
|
35
|
69x5.3
|
63A1
|
104
|
179
|
139
|
71.5
|
34
|
16.2
|
44.8
|
106.5
|
105
|
90
|
72.5
|
25
|
4
|
35
|
95x5.7
|
80A1
|
130
|
226
|
159
|
79.5
|
36
|
22
|
48.6
|
106.5
|
130
|
102
|
90
|
30
|
5
|
45
|
115x5.7
|
100B1
|
170
|
195
|
175
|
90
|
44
|
35
|
50
|
130
|
155
|
110
|
100
|
30
|
5
|
45
|
150x5.7
|
|
6、外形及安装尺寸 |

规格
|
重量
|
ΦB
|
ΦD
|
ΦE
|
ΦF
|
ΦL
|
MA
|
D7
|
D8
|
D9
|
ΦT
|
R-ΦK
|
100A1
|
90kg
|
18
|
200
|
250
|
300
|
146
|
M14X1.5
|
M30
|
Φ200H7
|
210
|
100
|
12-Φ33
|
125A1
|
140kg
|
35
|
240
|
300
|
370
|
174
|
M18X1.5
|
M36
|
Φ240H7
|
250
|
125
|
12-Φ39
|
150A1
|
210kg
|
35
|
290
|
352
|
410
|
200
|
M18X1.5
|
M36
|
Φ290H7
|
300
|
155
|
15-Φ39
|
200A1
|
410kg
|
22
|
380
|
445
|
520
|
260
|
M18X1.5
|
M42
|
Φ380H7
|
390
|
200
|
18-Φ45
|
250A1
|
660kg
|
30
|
430
|
515
|
590
|
316
|
M22X1.5
|
M42
|
Φ430H7
|
440
|
250
|
24-Φ45
|
300A1
|
1050kg
|
33
|
530
|
640
|
724
|
378
|
M27X2
|
M52
|
Φ530H7
|
540
|
300
|
24-Φ56
|
|
规格
|
S
|
H
|
H1
|
H2
|
T1
|
T2
|
T3
|
MN
|
O型圈
|
100A1
|
85
|
387
|
224
|
140
|
80
|
4
|
60
|
8-M10
|
200x5.7
|
125A1
|
105
|
452
|
240
|
160
|
90
|
4
|
70
|
8-M12
|
240x5.7
|
150A1
|
115
|
519
|
280
|
190
|
90
|
4
|
70
|
8-M12
|
290x5.7
|
200A1
|
140
|
660
|
345
|
237
|
105
|
5
|
85
|
8-M16
|
290x5.7
|
250A1
|
170
|
795
|
420
|
277
|
105
|
5
|
85
|
8-M16
|
430x5.7
|
300A1
|
210
|
926
|
500
|
386.5
|
125
|
6
|
105
|
12-M20
|
530x8.6
|
|
附注:1、安装要求:推荐尽量采用垂直安装
2、特殊要求:用户对阀的机能、参数、安装连接形式和尺寸有特殊要求时,可以特殊定货。 |
产品留言
frame id="msgFrame" height="440" src="http://s5.superstat.cn/productmessage.aspx?webid=259665&pid=12142898&tid=40&ln=zh-cn&reurl=http%3a%2f%2fwww.ccl-cclair.com%2fs02%2fproduct%2f2011%2f08%2f16%2f12142898.html" frameborder="0" width="500" scrolling="no">frame>