
| 3、技术数据 | |||||||||||||||||||||||||||||||||||||||||||||||||||||||||||||||||||||||||||||||||||||||||||||||||||
|
|||||||||||||||||||||||||||||||||||||||||||||||||||||||||||||||||||||||||||||||||||||||||||||||||||
| 4、流量(L/min)与流速(m/s)关系 | |||||||||||||||||||||||||||||||||||||||||||||||||||||||||||||||||||||||||||||||||||||||||||||||||||
|
|||||||||||||||||||||||||||||||||||||||||||||||||||||||||||||||||||||||||||||||||||||||||||||||||||
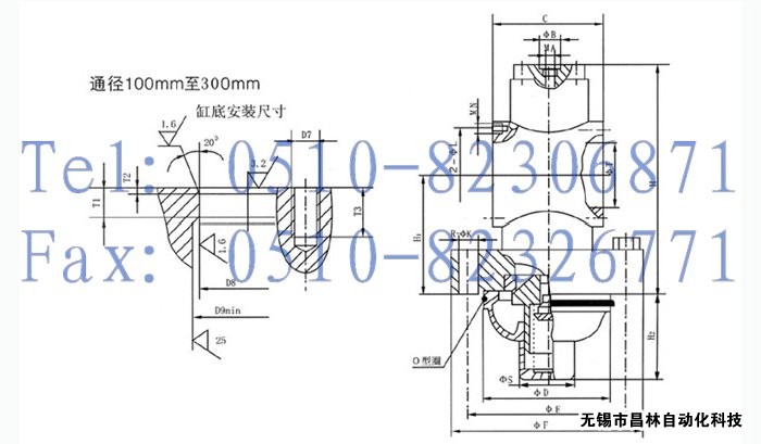
| 5、外形及安装尺寸 | |||||||||||||||||||||||||||||||||||||||||||||||||||||||||||||||||||||||||||||||||||||||||||||||||||

|
||||||||||||||||||||||||||||||||||||||||||||||||||||||||||||||||||||||||||||||||||||||||||||||||||||||||||||||||
|
||||||||||||||||||||||||||||||||||||||||||||||||||||||||||||||||||||||||||||||||||||||||||||||||||||||||||||||||
| 6、外形及安装尺寸 |

|
|||||||||||||||||||||||||||||||||||||||||||||||||||||||||||||||||||||||||||||||||||||||||||
|
|||||||||||||||||||||||||||||||||||||||||||||||||||||||||||||||||||||||||||||||||||||||||||
| 附注:1、安装要求:推荐尽量采用垂直安装 2、特殊要求:用户对阀的机能、参数、安装连接形式和尺寸有特殊要求时,可以特殊定货。 |
| SG-16-A1,SG-24-A1,SG-32-A1,SG-48-A1,充液阀,充液阀价格,充液阀生产厂家,无锡充液阀,传统型充液阀, SG-16-A1,SG-24-A1,SG-32-A1,SG-48-A1, |
| SG-16-A2,SG-24-A2,SG-32-A2,SG-48-A2,充液阀,充液阀价格,充液阀生产厂家,无锡充液阀,传统型充液阀, SG-16-A2,SG-24-A2,SG-32-A2,SG-48-A2, |
| SLG-24-A1,SLG-32-A1,SLG-48-A1,SLG-24-A2,SLG-32-A2,SLG-48-A2,充液阀,充液阀价格,充液阀生产厂家, SLG-24-A1,SLG-32-A1,SLG-48-A1,SLG-24-A2,SLG-32-A2, |
| PF-50,PF-80,PF-90,PF-100,PF-125,PF-150,PF-200,充液阀,充液阀价格,充液阀生产厂家, PF-50,PF-80,PF-90,PF-100,PF-125,PF-150,PF-200, |
| PF-50-F,PF-80-F,PF-90-F,PF-100-F,PF-125-F,PF-150-F,PF-200-F,充液阀,充液阀价格,充液阀生产厂家, PF-50-F,PF-80-F,PF-90-F,PF-100-F,PF-125-F,PF-150-F |
