返回
溢流阀
首页
>
了解产品
>
液压元件 液压阀
>
压力控制阀
>
溢流阀
MRF-01,MRF-02P,MRF-02A,MRF-02B,叠加式溢流阀,
2012-10-05 14:16
1014
信息概况
价格:
未填
型号:
MRF-01,MRF-02P,MRF-02A,MRF-02B,
发货:
3天内
发送询价
MRF-01,MRF-02P,MRF-02A,MRF-02B,叠加式溢流阀,生产厂家,价格
一、MRF叠加式溢流阀
型号说明
MRF
-02
P
-K
-1
-20
型式
公称通径
控制油路
调整杆形式
调整范围
(bar)
设计号
叠加式溢流阀
02: 6mm
03: 10mm
04: 16mm
06: 20mm
A:孔
B:B孔
P:P孔
W:A&B孔
无标记
: 未附旋钮
K: 附塑胶旋钮
1: 8-70
2: 35-140
3: 70-210
20
二、MRF叠加式溢流阀
油路符号
三、MRF叠加式溢流阀性能参数
公称通径
最高工作压力
(bar)
额定流量
(l/min)
02
250
35
03
70
04
200
06
190
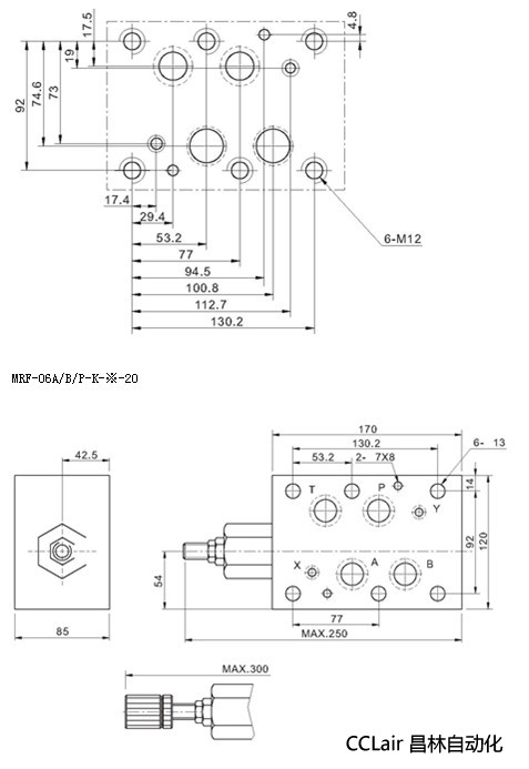
四、MRF叠加式溢流阀安装尺寸:
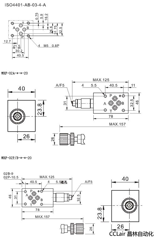
02系列安装面
03系列安装面
04系列安装面
06系列安装面
五、MRF叠加式溢流阀注意事项:
1.油液粘度
正常工作时所推荐黏度:15~400cSt。
如阀带回油阻尼器,黏度范围必须是15~200cSt。
2.使用油液
可使用以下所列任何一种液压油液。
石油基油:使用相当于ISO VG32或VG46的油液。
合成液:使用磷酸酯液或多元醇酯液。当用磷酸酯液时,请用特殊的氟橡胶密封。
含水液:使用水乙二醇液。
3.油温范围
连续工作的温度为:-17 ~ +70°C
4.安装顺序
将双头螺栓全部旋入规定的基础板,底板或管道板的安装面上的螺孔中。
根据液压回路,叠装叠加阀和电磁换向阀,把装有O型环的安装面朝向基础板,
在叠加阀插进螺栓之前,确认叠加阀的孔口排列正确无误。对其叠加阀的两端。
螺栓上旋上螺母,用规定的扭矩拧紧螺母。经试车后,须在规定的扭矩范围内重新拧紧螺母,已达到足够的预紧度。
5.压力调整
调整压力时,放松锁紧螺母,慢慢转动手柄,顺时针为压力升高,逆时针为压力降低,调整完毕,切记将锁紧螺母重新拧紧。
联系方式
姓名:液压销售(先生)
电话:
13812199898
传真:0510-82328771
地区:江苏-无锡市
地址:
无锡市会北路28-135
邮编:214000
QQ:
2355802919
0
人关注
0
人点赞
举报
评分:
分
扫一扫访问当前网页
复制链接
二维码
短信
邮件
关闭
同类了解产品
RV-01T-*-10,RV-02T-*-10,RV-03T-*-10,RV-04T-*-10,RV-06T-*-10,RV-10T-*-10,RV-01G-*-10,RV-02G-*-10,RV-03G-*-10,RV-06G-*-10,RV-10G-*-10,SRV-03G-*-10 SRV-06G-*-10,SRV-10G-*-10,SRV-04T-*-10,SRV-06T-*-10,SRV-10T-*-10,BRV-03G-*-10,BRV-06G-*-10溢流阀
0812208,0814508,0812508,0814608,0814108,0814908,0814208,0814308,0814408,0812708,0814708,0812808,0814808压力控制器 D500/7DZ切换差不可调
¥
999.00
CDB-15,CDB-20,CDB分片式多路阀
叠加式溢流阀MBW-01-H-30,MBW-03-C-30,MBW-03-H-30,
叠加式溢流阀MBP-01-C-30,MBP-01-H-30,MBP-03-C-30,MBP-03-H-30,MBB-04-C-30,MBP-04-C-30,MBP-04-H-30,MBP-06-H-30,
叠加式溢流阀MBB-01-C-30,MBB-01-H-30,MBB-03-C-30,MBB-03-H-30,MBB-04-C-30,MBB-04-H-30,MBB-06-H-30,
取消
发送询价
分享好友
了解产品首页
频道列表
我要评论