返回
摆动液压缸
首页
>
了解产品
>
执行元件 液压缸
>
液压/工程缸
>
摆动液压缸
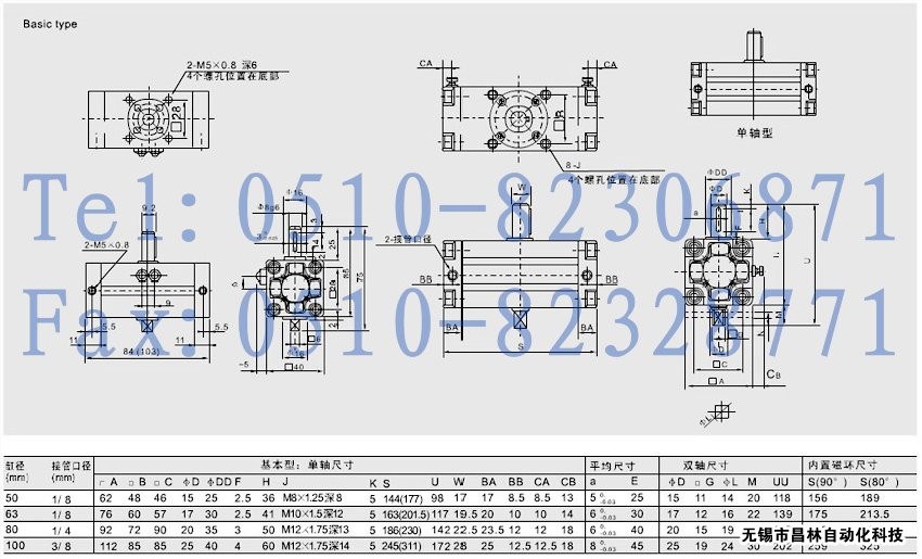
CRA1 30-90,CRA1 30-180,CRA1 50-90,CRA1 50-180,CRA1 63-90,齿轮齿条式摆动气缸
2011-12-05 11:12
1065
信息概况
价格:
未填
型号:
CRA1 30-90,CRA1 30-180,CRA1 50-90,CRA1 50-180,CRA1 63-90,齿轮齿条式摆动气缸
发货:
3天内
发送询价
CRA1 30-90,CRA1 30-180,CRA1 50-90,CRA1 50-180,CRA1 63-90,齿轮齿条式摆动气缸
生产厂家,价格
联系方式
姓名:昌林(先生)
电话:
13861877712
传真:0510-82328771
地区:江苏-无锡市
地址:
无锡市会北路28-135
邮编:214000
QQ:
2355802919
0
人关注
0
人点赞
举报
评分:
分
扫一扫访问当前网页
复制链接
二维码
短信
邮件
关闭
同类了解产品
WMB-100×100,外摆门气缸
NMB-QGS63×100,内摆门气缸
GRC-F-5,GRC-F-10,GRC-F-20,GRC-F-80,GRC-F-K-10,GRC-F-K-20,GRC-F-K-30,GRC-F-K-50,GRC-F-30,GRC-F-50,GRC
MSUB1-90,MSUB1-180,MSUB3-90,MSUB3-180,MSUB7-90,MSUB7-180,MSUB20-90,MSUB20-180,SMC摆台气缸
CRJB05-90,CRJB1-90,CRJU05-90,CRJU1-90,CRJB05-100,CRJB1-100,CRJU05-180,SMC微型摆动气缸
CRJBP05-90,CRJBP1-90,CRJUP05-90,CRJUP1-90,CRJBP05-100,CRJUP05-100,CRJBP05-180,SMC微型摆动气缸
取消
发送询价
分享好友
了解产品首页
频道列表
我要评论