返回
通用阀门
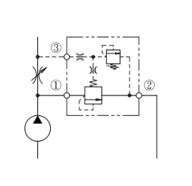
CVB-063/093/T11/T02/T17-L10N,油压阀CMR
2024-08-06 13:56168
信息概况
  • 价格:未填
  • 品牌:CCLair/昌林
  • 油压阀CMR:CVB-063/093/T11/T02/T17-L10N,
  • 发货:3天内
联系方式
  • 举报
关闭
同类了解产品