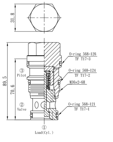
CPF-063-X0.2N,CPF-093-X0.2N,CPF-T11-X0.2N,CPF-T02-X0.2N,CPF-T17-X0.2N,导开阀的工作原理主要涉及到在管路中控制阀前压力不超于或不低于理想设定值,以保证上游正常用水。当上游压力高于事先在导阀上设定的压力值时,导阀在进口压力的作用下自动打开。主阀控制室内的压力水通过导阀流向下游,导致上控制室内压力降低。