返回
液压马达
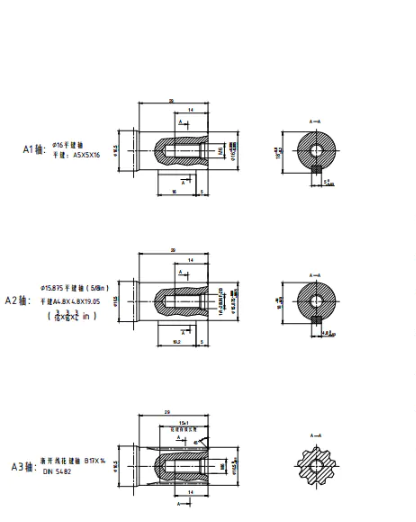
BMM系列轴配液压马达 BMM-8/12.5/20/32/40/50
2024-08-06 13:19285
信息概况
  • 价格:未填
  • 品牌:CCLair/昌林
  • BMM系列轴配液压马达:BMM-8/12.5/20/32/40/50
  • 发货:3天内
联系方式
  • 举报
关闭
同类了解产品