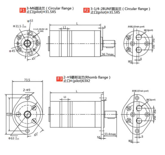
HMM系列马达的工作原理主要依赖于液压系统的运作,具体到HMM系列马达,它们通常是摆线液压马达,这是一种将液压能转换为机械能的装置。摆线马达通过输入的液压油产生旋转运动,从而实现机械工作的动力输出。这种马达适用于低速大扭矩的应用场景,具有较高的机械效率和容积效率,能够在低速状态下保持稳定的运转。HMM8,HMM12.5,HMM20,
HMM32,HMM40,HMM50,