返回
过滤减压阀
首页
>
了解产品
>
气动辅助元件
>
气源处理元件
>
过滤减压阀
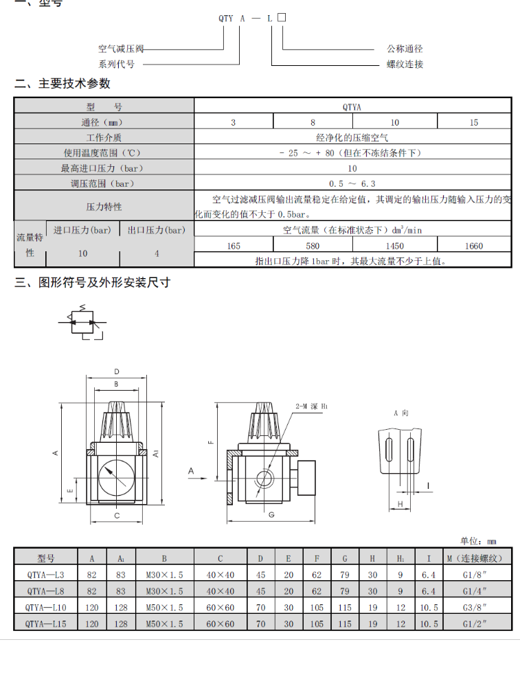
QTYA系列减压阀
2023-03-11 15:38
669
信息概况
价格:
未填
品牌:
CCLair/昌林
减压阀:
QTYA系列
发货:
3天内
发送询价
联系方式
姓名:wxfd(先生)
电话:
13861877712
传真:0510-82326771
地区:江苏-无锡市
地址:
无锡市会北路28-135
邮编:214000
QQ:
4006770998
0
人关注
0
人点赞
举报
评分:
分
扫一扫访问当前网页
复制链接
二维码
短信
邮件
关闭
同类了解产品
AC2000H-01M,AC2000H-02M,AC3000H-02M,AC3000H-03M,AC4000H-04M,AC4000H-06M,AC5000H-06M,AC5000H-10M,AC2010H-01M,AC2010H-02M,AC3010H-02M,AC3010H-03M,AC4010H-04M,AC4010H-06M,AC5010H-06M,AC5010H-10M,AW2000H-01,AW2000H-02过滤减压阀
QTY系列空气减压阀
QFLJA系列空气过滤减压阀
QFLJB系列空气过滤减压阀
YT-200AP010,YT-200AP011,YT-200AP020,YT-200AP021,空气过滤减压阀
POR-1/8,POR-1/4,POR-3/8,POR-3/4,POR-1/2,POR-1,减压阀
取消
发送询价
分享好友
了解产品首页
频道列表
我要评论