返回
排气阀
首页
>
了解产品
>
气动器材 气动阀
>
控制元件
>
排气阀
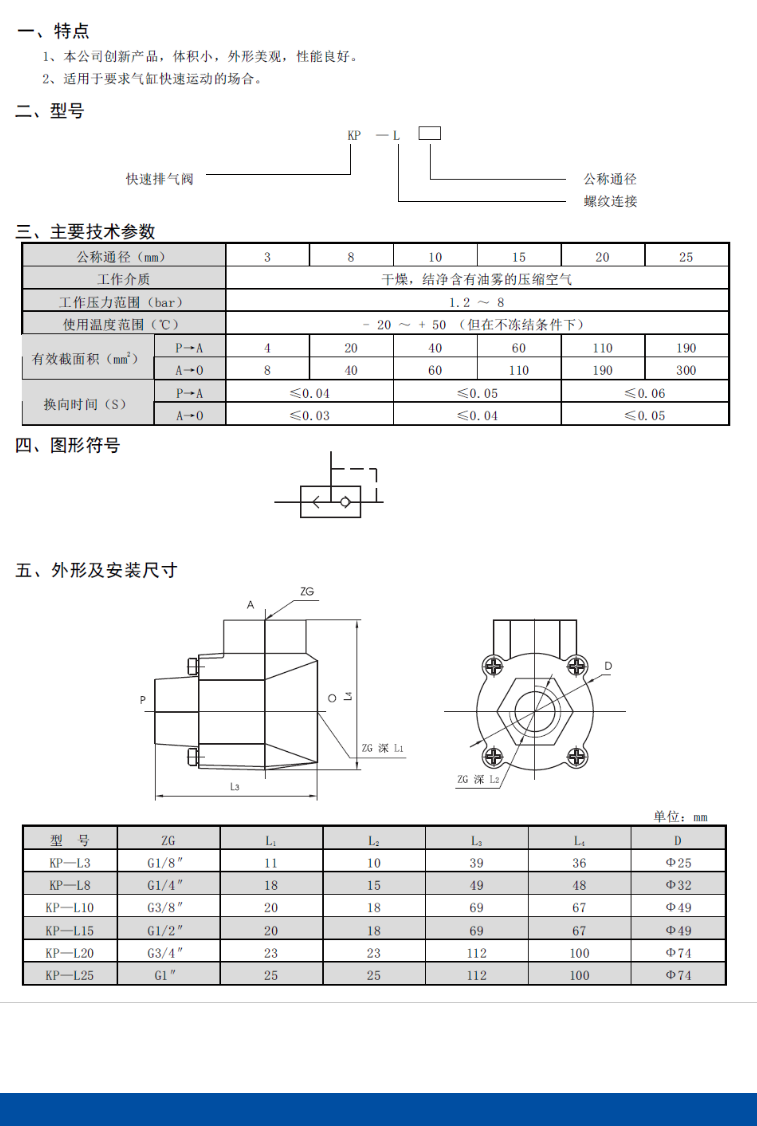
KP系列快速排气阀
2023-02-18 14:54
642
信息概况
价格:
未填
品牌:
CCLair/昌林
快速排气阀:
KP系列
发货:
3天内
发送询价
联系方式
姓名:wxfd(先生)
电话:
13861877712
传真:0510-82326771
地区:江苏-无锡市
地址:
无锡市会北路28-135
邮编:214000
QQ:
4006770998
0
人关注
0
人点赞
举报
评分:
分
扫一扫访问当前网页
复制链接
二维码
短信
邮件
关闭
同类了解产品
急速排气阀SR-02,SR-03,SR-04,SR-04-A
W-PQ21X-16T-DN15,W-PQ21X-16T-DN20,W-PQ21X-16T-DN25,排气阀
T070002030000,T070003030000,AIGNEP快速排气调节器
DYF-5,空气降压阀
MX2-1/2-B00,MX2-1/2-B01,MX2-1-B00,MX3-1-B00,camozzi分气块
MC1-B-VNR,MC2-B-VNR,camozzi分气块
取消
发送询价
分享好友
了解产品首页
频道列表
我要评论