返回
气控换向阀
首页
>
了解产品
>
气动器材 气动阀
>
控制元件
>
气控换向阀
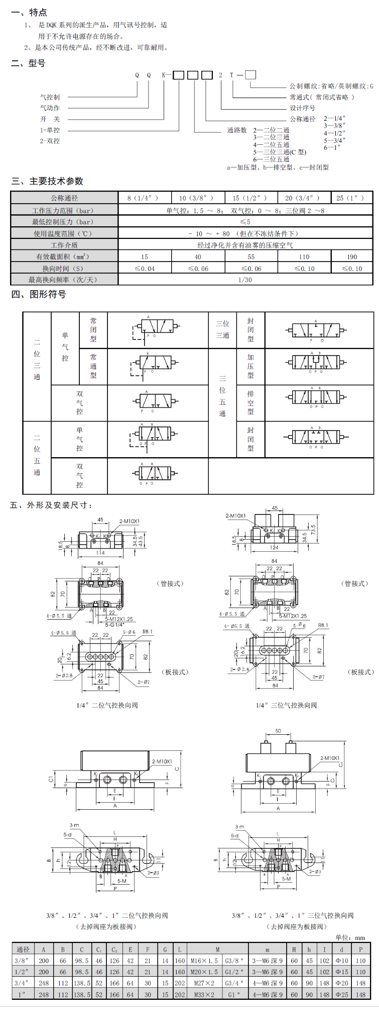
QQK气控阀
2023-02-18 14:17
594
信息概况
价格:
未填
品牌:
CCLair/昌林
气控阀:
QQK
发货:
3天内
发送询价
联系方式
姓名:wxfd(先生)
电话:
13861877712
传真:0510-82326771
地区:江苏-无锡市
地址:
无锡市会北路28-135
邮编:214000
QQ:
4006770998
0
人关注
0
人点赞
举报
评分:
分
扫一扫访问当前网页
复制链接
二维码
短信
邮件
关闭
同类了解产品
K22JK-8W,K22JK-10W,K22JK-15W,K22JK-20W,K22JK-25W,K22JK-32W,K22JK-40W,K22JK-50W,K22JK-8WS,K22JK-10WS,K22JK-15WS,K22JK-20WS,K22JK-25WS,K22JK-32WS,K22JK-40WS,K22JK-50WS,K23JK-8W,K23JK-10W,K23JK-15W,K23JK-20W,K23JK-25W,K23JK-32W,K23JK-40W,K23JK-50W气控换向阀
QSR5系列手柄推拉式换向阀
QSR2系列水平旋转手柄式换向阀
QQI气控阀
QQC气控阀
二位五通双气控换向阀F25K2-L4,F25K2-L6,F25K2-L12
取消
发送询价
分享好友
了解产品首页
频道列表
我要评论