TP11,温度传感器
原理结构 / The Principle Structure
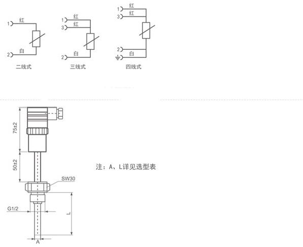
TP11包含一个PT100探头,PT100阻值会随温度变化而变化,TP11有二线式,三线式,四线式几种规格可供选择。
特点 / Characteristic
安装简单,多种量程可选,多种规格探头可选,全不锈钢外壳,结构紧凑坚固。并可选配现场仪表和柜装式控制表。
应用 / Application
气液两用性,可用于供水系统,液压、气动系统,冷却系统,加热系统,空调系统,自动化工程等。
技术参数
测量范围: -200...400℃.-200...600℃
精度等级: B级(A级可选)
信号输出: 电阻信号
允许误差: ±0.3+0.005×t
耐压: 40bar
外壳材料: 不锈钢
触液部分材料: 不锈钢1.4571及1.4542
电气连接: 端子连接
防护等级: IP65
