HSLYG-G,HSLYG-A,HSLYG-B,高温型压力变送器
产品介绍 / Product description
HSLYG高温型压力变送器采用耐高温的“溅射薄膜”压力芯片组装,传感器可以在高温条件下长期稳定工作。通过装配不同长度的散热片可以进一步提高所测介质的温度,合理科学的配置和先进的电路设计及温度补偿处理,充分保证了变送器可在最高300C环境长期稳定工作。具有反向极性和限流保护;激光调阻温度补偿,零点、量程可现场调节;范围宽抗腐蚀,适于多种介质;过载及抗干扰能力强,性能稳定。
应用 / Application
本产品广泛应用于水厂、炼油厂、污水处理厂、建材、轻工、机械等工业领域,实现对液体、气体、蒸气压力的测量。
技术参数 / Technical Data
测量介质: 气体、液体:油等与316L兼容的介质
测量形式及范围: 表压(G)---最大(0~60)MPa,最小(0~10)KPa
绝压(A)---最大(0~60)MPa,最小(0~10)KPa
负压(B)---(--0.1~60)MPa,最小(-5~5)KPa
精度等级: 0.1、0.25、0.5
过载能力: 量程的2~5倍
长期稳定性: 小于0.3%FS/年
供电电源: 15~36VDC(标定电压24VDC)
输出信号: (4~20)mA(二/三线制)、(0~10/20)mA
(0~5)V、(1~5)V、(0~10)V
显示方式: 指针表头或LCD液晶显示可选配
校准: 通过调节精密电位器实现对零点、量程调节
工作温度: 液体介质:(-20~200)℃
气体介质:(-20~300)℃
补偿温度:(-20~300)℃
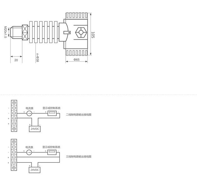
过程连接: M20×1.5外螺纹或用户注明
隔离膜片材料: 316L不锈钢
传感器接口材料: ICrl8Ni9Ti
外壳材料: 合金铝
防护等级: IP65

